Устройство токарного станка
Существует несколько основных деталей токарного станка. Каждая из них влияет на работу остальных. Помимо ключевых узлов, на оборудование можно устанавливать различные приспособления для токарных станков.
Станина
Чтобы станок был неподвижен во время работы, все детали закрепляются на тяжёлой станине. Она представляет собой два вертикальных ребра, которые закрепляются на неподвижном основании. В нижней части основания могут располагаться отсеки для хранения инструмента и оснастки. На верхней части закрепляются поперечные рейки, по которым передвигаются суппорта и задняя бабка (каретка).
Передняя шпиндельная бабка
В этой детали располагается шпиндель с патроном, подшипники и система управления станком. Внутри находятся подвижные шестерни, через которые на резец передаётся вращательное усилие.
Задняя бабка
Представляет собой подвижный узел станка. С помощью задней бабки закрепляется заготовка на шпинделе. Состоит из двух частей. Нижняя считается неподвижной и играет роль основания. Верхняя перемещается по валу, который проходит внутри задней бабки.
Суппорт
На верхней части суппорта закрепляются резцы и различные токарные инструменты. Суппорт является подвижным элементом. Если установить центральную точку станка, эта деталь передвигается в четырёх направлениях, обрабатывая заготовку.
Как выбрать настольный токарный станок
Прежде чем осваивать работу токаря на дому, целесообразно выяснить, какие бывают станки, их характеристики и функции.
Мини-аналоги промышленного оборудования относятся к настольному типу, поскольку легко размещаются на любой рабочей поверхности. Такие аппараты многофункциональны и предназначены для изготовления деталей малых размеров с минимальными затратами. Материал обработки может быть любой: сталь, древесина, любые виды пластика.
Критерии выбора
Чтобы приобрести надежную модель для домашней мастерской, гаража, станции технического обслуживания или учебной лаборатории, уместно учитывать ряд параметров:
- назначение;
- расстояние между центрами;
- тип станины;
- материал станины;
- допустимое напряжение;
- потребляемая мощность;
- скорость вращения шпинделя;
- степень автоматизации;
- возможность дооснащения.
По назначению можно выделить устройства, работающие с заготовками из разных материалов: дерево, металл, пластик, реже — стекло, алмаз.
Расстояние между центрами считается основным критерием, ведь оно определяет максимально возможную длину обрабатываемых деталей. Средний показатель этой величины обычно соответствует длине заготовки 800 мм. Важными числовыми показателями являются длина и ширина рабочего стола. Они указывают на максимально возможные габариты обрабатываемых деталей.
От типа станины зависит устойчивость и жесткость конструкции и уменьшение вибрации: стационарная и переносная. В любой модификации крепления их направляющих должны быть качественными и прочными.
Наиболее предпочтительный материал станины — чугун, способный выдерживать любые нагрузки и эффективно гасить вибрацию, благодаря чему достигается максимальная точность выполнения операций. Большинство моделей имеет вес от 10-15 до 500-100 кг. Однако встречаются аппараты, весящие до 260 кг. Отдельные модификации выпускаются без станины. В этом случае ее роль выполняют крепления к рабочей поверхности.
Допустимое напряжение для мощного высокопроизводительного аппарата, используемого в индивидуальном порядке, чаще всего равняется 380 В. В случаях использования устройства без станины с ручным принципом работы допустимое напряжение 220-230 В. Для эффективного и безопасного использования одно- или трехфазного станка обязательно должна быть соответствующая электропроводка.
Потребляемая мощность. Облегченные модели без станины потребляют небольшое количество электроэнергии — 0,3 — 0,7 кВт. Чаще всего это устройства для работы с мягкими материалами (пластик, дерево). Однако большинство настольных моделей по металлу, имеющих чугунную станину, имеют среднюю потребляемую мощность 1,5 кВт.
Скорость вращения шпинделя определяет качество работы и производительность станка в целом. Чем ниже мощность двигателя, тем меньшее число оборотов в минуту будет совершать шпиндель. Минимальные обороты шпинделя обычно составляют 150-400 в минуту, максимальные обороты достигают 2500-3500 в минуту. У более высокого класса аппаратов предусмотрен регулятор скоростей (механический или электронный), обеспечивающий оптимальную глубину резания при разных видах обработки.
По степени автоматизации станки бывают ручными, полуавтоматическими и электронными (с ЧПУ). Это находит свое отражение в стоимости изделия. Покупая аппарат, уместно подумать, какой принцип работы будет более удобным.
Возможность дооснащения значительно облегчает работу, повышает качество и производительность. Дополнительная оснастка может быть разной, исходя из потребностей мастера:
- набор резцов;
- люнет;
- фрезерная голова;
- резцедержатель;
- токарный патрон;
- цанговый патрон;
- вращающийся центр.
Процесс изготовления комплектующих в домашних условиях
Рекомендуется процесс изготовления начать со станины, установка и выверка направляющих создание и установка передней бабки. Установка шпинделя, изготовление электропривода с механизмом натяжения. Монтаж элементов и разводка электрической схемы.
Изготовление суппорта и резцедержателя. Уже можно вытачивать короткие детали (болты, гайки, втулки). Последней изготавливаем заднюю бабку. Следующие узлы из разряда вспомогательных и идут как модернизация.
Как изготовить шпиндель
Шпиндельный узел выполняется из двух подшипниковых щитов. Лучше использовать готовые. Главное, добиться совпадения главной оси с осями направляющих. Вал шпинделя изготавливается на токарном станке или подбирается готовый.
При сборке вал запрессовывается в подшипники. С одной стороны, крепится токарный патрон, с другой шкив для ременной или цепной передачи. Для подшипников желательно обильную смазку с помощью масляных ванн.
Как изготовить патрон
Патрон для токарного станка изготовить практически невозможно. Можно попытаться изготовить самоделку из планшайбы с болтами, которые вкручиваются в предварительно приваренные гайки. Очень трудно отцентрировать деталь в таком «патроне» ни о какой точности думать невозможно.
Изготовление остальных деталей
Детали токарного станка по возможности желательно подбирать из готовых
При изготовлении станины обращается внимание на точность изготовления направляющих. Любая ошибка и возможна конусность при изготовлении деталей
При изготовлении задней бабки также важно выдержать совпадение осей шпинделя и пиноли
Несоблюдение размеров может привести к конусности
При изготовлении задней бабки также важно выдержать совпадение осей шпинделя и пиноли. Несоблюдение размеров может привести к конусности. При изготовлении суппорта важно точно подобрать шаг резьбы винтов продольной и поперечной подачи
При изготовлении суппорта важно точно подобрать шаг резьбы винтов продольной и поперечной подачи
Особенности конструкции станков токарной группы
Все станки, предназначенные для выполнения токарной обработки заготовок из металла и других материалов, имеют в своей конструкции типовые конструктивные элементы:
- станину — несущий элемент токарного агрегата, на котором устанавливаются все элементы его конструкции;
- фартук (в данном элементе токарного станка происходит преобразование движения валика или ходового винта в перемещение его суппорта);
- шпиндельную бабку, на которой размещается шпиндель устройства, а в ее внутренней части располагается коробка скоростей;
- суппорт (в данном элементе станка закрепляется режущий инструмент, также суппорт нужен для того, чтобы обеспечить продольную и поперечную подачу инструмента, совершаемую с заданными параметрами; в конструкции суппорта обязательно присутствует нижняя каретка, а у отдельных моделей их несколько, на верхней из которых крепится держатель для токарного инструмента);
- коробку подач (при помощи данного конструктивного элемента передается движение от ходового винта или валика на суппорт станка);
- электрическая часть конструкции станка, включающая в себя приводной электродвигатель, мощность которого у разных моделей станков может серьезно варьироваться, а также элементы, с помощью которых обеспечивается управление электрооборудованием устройства (естественно, данная часть токарного агрегата должна отвечать требованиям безопасности).

Основные узлы токарного станка
Все элементы конструкции станка опираются на две тумбы, которые выполняют несущую функцию, а также обеспечивают размещение заготовки на удобной для оператора высоте. Такие тумбы, отличающиеся массивностью своей конструкции, можно увидеть на фото токарного станка любой модели.

Конструкция суппорта токарного станка

Приводные валы станка

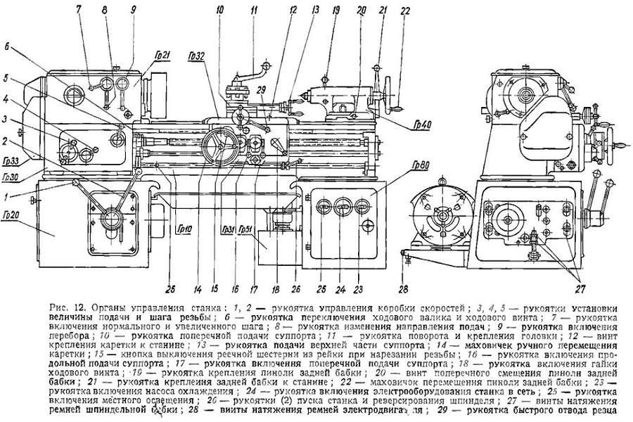
Пример расположения органов управления токарного станка (нажмите, чтобы увеличить)
Критерии выбора
Выбирать токарный станок начинают с определения, какие работы он должен выполнять. Как только решено, какие детали и как должны быть обработаны, можно подбирать конкретное устройство. Изучают надежность станка, технические характеристики, размеры.
Технические характеристики
Для токарного станка важны:
- Тип питания – 220 или 380 Вольт. Вторые требуют проведения дополнительной линии питания, что в гараже не всегда возможно.
- Характеристика – мощность – определяет, как быстро будет обработана деталь. Для дома будет достаточно двигателя от 500 до 750 Ватт.
- Тип двигателя. Предпочтителен асинхронный мотор, так как он имеет больший срок службы. По типу передачи выбирают между шестеренчатой и ременной.
- Частота вращения. Для каждого металла должна быть своя, поэтому в станке должно быть предусмотрено переключение между несколькими режимами работы. Обычно 1 скорость обеспечивает до 1500 оборотов в минуту, а 2 – 2500 оборотов.
- Реверс – вращение против часовой стрелки. Очень нужная функция в некоторых случаях.
- Оснащение. Дополнительное оборудование подбирается под задачи. Начинающие мастера могут выбирать более узкоспециализированные модели.
- Деления лимба. Чем шаг меньше, тем большая точность обработки заготовок.
- Защитные устройства: кожухи.

Материалы и качество сборки
В магазинах предлагают токарные станки отечественного и импортного производства. Практически все модели, даже иностранные, собирают в Китае. Многие выбирают отечественные аппараты, так как для них проще найти запчасти, к тому же повсеместно открыты сервисные центры обслуживания.
Размер
В гараже заранее отводят место под оборудование устройства, подбирают стол, выдерживающий большие нагрузки. Размер устройства напрямую зависит от размера деталей, обрабатываемых станком. Для большинства ремонтных работ достаточно межцентрового расстояния 0,4 метра для крепления заготовок. Этого хватит для работы с большим количеством различных заготовок
Помимо длины, обращают внимание на высоту крепления, определяющую максимальный диаметр изделия

Преимущества токарных мини-станков
Агрегаты подобного типа имеют целый ряд преимуществ перед крупногабаритными, профессиональными устройствами. Например, для эксплуатации подобного оборудования достаточно стандартной, бытовой электрической сети, напряжение в которой составляет 220 В. При желании мини-станок можно адаптировать для подключения к сети, которая имеет напряжение 380 В (трехфазная).
Еще одним немаловажным достоинством домашнего токарного агрегата является то, что он расходует небольшое количество электроэнергии при эксплуатации. Срок годности микростанков такого типа может достигать нескольких десятков лет. То, сколько он вам прослужит, напрямую зависит от двух факторов: правильного использования и своевременного обслуживания.

Для увлечения срока службы металлообрабатывающего агрегата следует регулярно проводить технические осмотры и обслуживание
Благодаря своей компактности, такой микростанок можно расположить в любом подходящем помещении (комната в квартире, гараж и т. д.). Агрегаты подобного типа позволяют довольно быстро научиться обрабатывать металлические детали начинающим токарям. А также стоит сказать о том, что стоимость токарных станков для дома является более чем доступной для большинства людей.
Ну и, наконец, важным достоинством подобных устройств является еще и то, что их можно оснащать дополнительными приспособлениями. Это позволяет проводить на них фрезерную обработку металлических деталей, что значительно расширяет их эксплуатационный спектр.
Конструкция токарного станка
Основными узлами являются:
- Станина — несущая конструкция, на которой расположены все узлы.
- Передняя бабка — в ней находится шпиндель, который вращается с деталью, и коробка скоростей.
- Задняя бабка — дополнительно фиксирует деталь во время обработки в центрах. Пиноль служит для крепления режущего инструмента (сверла, развертки).
- Суппорт — несет резцедержатель, в который крепятся токарные резцы. Перемещается в поперечном и продольном направлении на заданной скорости.
- Коробка подач — обеспечивает движение от ходового винта или вала на суппорт.

Важно! На большинстве моделей главные узлы унифицированы
Токарные станки компании “Зенитек”
Токарные станки немецкого производителя “Зенитек” отличаются повышенной надежностью и комфортом использования. При этом детали очень удобно крепятся в бабке и легко регулируются. Показатель поперечной подачи довольно высокий и составляет в среднем 1 мм. Габариты моделей имеются разнообразные, поэтому подобрать подходящий вариант не сложно. Максимальный размер резца устройства доходит до 25 мм. При этом диаметр обточки составляет 400 мм. Потребляемая мощность находится на уровне 7.5 кВт. Дополнительно следует отметить высокую пиноль задней бабки. Благодаря этому диапазон скоростей довольно высок.

Лучшие токарные станки по металлу
Для обработки металлов требуется высокая скорость вращения шпинделя. Для охлаждения заготовки в рабочую зону подают СОЖ. Высокие требования предъявляются к точности настроек, качеству кулачковых зажимов.
Jet BD-8VS 50000911M
Швейцарский мини токарный станок по металлу укомплектован коллекторным электродвигателем мощностью 600 Вт, который вращает шпиндель со скоростью до 2500 об/мин. Параметры вращения плавно регулируются в двух диапазонах. На лицевой панели расположены кнопки управления и метрические таблицы для настройки на резьбу. Скорость вращения выводится на дисплей, позволяет точно контролировать базовые параметры. В стандартной комплектации установлен трехкулачковый патрон с диаметром 100 мм.
Модель имеет две продольные подачи, работающие в автоматическом режиме. В резцедержатель можно установить до 4 резцов. Вращение этого узла производится точно перпендикулярно оси вращения. Все шестерни гитары изготовлены из закаленного металла, имеют продолжительный срок службы и высокую устойчивость к истиранию.

Достоинства:
- Все органы управления расположены удобно в одном месте;
- Заготовка позиционируется с высокой точностью;
- Массивная задняя бабка;
- Рабочая зона имеет длину 400 мм;
- Надежный защитный экран;
- Прямой привод шпинделя.
Недостатки:
Небольшой вес.
Для исправления недостатка необходимо внимательно отнестись к рекомендациям производителя по монтажу. Токарно-винторезный станок через поддон для сбора стружки прикручивается к верстаку. Это заметно снижает вибрацию и позволяет выполнять обработку металла с высокой точностью.
Proma SM-300E 25951830
Легкий настольный токарный станок известного чешского бренда предназначен для обработки цилиндрических и конических поверхностей. Коллекторный двигатель разгоняет шпиндель до 2500 об/мин. Скорость плавно регулируется в широком диапазоне. Легко справляется с нарезкой резьбы на металле и пластике. Заготовка позиционируется с высокой точностью, это способствуют направляющие с идеальной геометрией. При небольших размерах длина рабочей зоны составляет 250 мм.
Пользователи отмечают плавный ход задней бабки и суппорта, отсутствие люфтов. По этим показателям станок не отличается от профессионального оборудования. Модель предназначена для подключения бытовой электросети, а экономичный двигатель потребляет в среднем не более 300 Вт энергии. Качественно обрабатывает любой металл.

Достоинства:
- Ровная станина;
- Две скорости;
- Информативное управление;
- Защитный кожух;
- Удобная регулировка для дюймовой резьбы.
Недостатки:
Небольшой вес.
Ferrox ML 110×125 Vs 44924
Мини станок по металлу весит всего 13 кг. Производитель установил компактный коллекторный электродвигатель мощностью 250 Вт. Мотор легко разгонят шпиндель до скорости в 3600 об/мин, что является высокими показателями для своего класса. Предназначен для обработки цилиндрических заготовок, можно выполнять шлифование и сверление.
Скорость шпинделя варьируется в широком диапазоне, для регулировки на панели управления предусмотрены удобные рычаги. Обороты увеличиваются плавно, что гарантирует высокое качество обработки. Способствует этому и хорошо отшлифованные направляющие суппорта. При небольших размерах устройства, на нем обрабатываются детали, длиной до 125 мм.

Достоинства:
- Экономичность;
- Занимает мало места в мастерской;
- Не нуждается в сложном техническом обслуживании;
- Прочный корпус;
- Станина изготовлена из чугуна.
Недостатки:
Нет метрической и дюймовой резьбы.
Triod Lamt-500P/400 113016
Шесть скоростей и расстояние между центрами в 550 мм делает этот токарный станок для дома универсальным. Двигатель мощностью 370 Вт разгоняет шпиндель в диапазоне от 170 до 1950 об/мин, позволяя использовать твердосплавные резцы. Удобно расположенные рычаги управления скоростями помогают выбрать оптимальный режим быстро и с высокой точностью. Пиноль задней бабки выдвигается и позволяет надежно зафиксировать заготовку. Подача суппорта вперед и вбок расширяет возможности, позволяет выполнять мастеру фигурную проточку.
Резцедержатель четырехсторонний, в нем устанавливается 4 режущих инструмента, что помогает увеличить производительность. Защитный экран прочный, устойчивый к динамическим нагрузкам и не мешает обзору. При желании можно изменить величину подачи, установив другие шестерни гитары, которые идут в комплекте.

Достоинства:
- Точность при обработке;
- Хорошая комплектация;
- Устойчивость;
- Метрическая и динамическая резьба.
Недостатки:
- Высокая цена;
- Требуется подключение к трехфазной электросети.
Лучшие плоскошлифовальные машины
Какой токарный станок по металлу купить: рекомендации по выбору
Чтобы не зря вложить деньги, нужно знать, как выбрать токарный станок. Для домашней мастерской или гаража подойдёт малогабаритное оборудование с небольшой мощностью. Рекомендации по выбору:
Питание станка. Для домашних условий лучше выбирать модель, которую можно подключить к сети 220 вольт.
Наличие регулировки скоростей вращения шпинделя. Желательно чтобы эта функция присутствовала в выбираемой модели.
Масса до 80 кг. Этого веса будет достаточно для неподвижности станка во время обработки заготовок. Такие машины можно самостоятельно передвигать по мастерской.
Габариты. Размеры оборудования должны быть меньше свободного пространства в помещении
Важно оставить пространство для беспрепятственного доступа к любой части машины.
Наличие гарантии и возможности сдать станок в сервис при поломке.
Литая станина. Она должна изготавливаться из прочных материалов, чтобы выдерживать постоянные нагрузки.
Чтобы узнать устройство оборудования можно посмотреть схему токарного станка. На ней будут указаны ключевые узлы, соединительные элементы и механизмы для настройки.

Маленькие габариты станка
Наиболее популярные модели станков
Домашние мастера для собственного использования выбирают токарные станки по металлу от производителей JET и OPTIMUM. Эти компании считаются наиболее популярными в соотношении цены и качества. Они выпускают модели как для собственных мастерских, так и для заводов. Средняя цена на оборудование JET достигает 150000 рублей. За станок от компании OPTIMUM в среднем придётся заплатить около 250000 рублей.
Станки токарные и токарно-винторезные зарубежные
- Ø 300, Болгария токарно-винторезный С8С
- Ø 515, Троян — Болгария токарно-винторезный С11МТ (С 11МТ)
- Ø 325, Сливен — Болгария токарно-винторезный CU 325 (Су 325)
- Ø 440, Сливен — Болгария токарно-винторезный CU 400 (Су 400)
- Ø 500, Сливен — Болгария токарно-винторезный CU 500 (Су 500)
- Ø 630, Сливен — Болгария токарно-винторезный CU 630 (Су 630)
- Ø 400х1000, DMTG Китай токарно-винторезный CDE6140A
- Ø 400х1000, DMTG Китай токарно-винторезный CDE6240A
- Ø 200, DMG MORI (Россия-Германия-Япония) токарный с ЧПУ CTX 310 ecoline
- Ø 465, DMG MORI (Россия-Германия-Япония) токарный с ЧПУ CTX 510 ecoline
- Ø 200 × 575 мм, DMG MORI — станок токарный с ЧПУ CTX alpha 500
- Ø 410 × 800, DMG MORI токарный с ЧПУ CTX beta 800
- Ø 500 × 750, DMG MORI — центр токарно-фрезерный CTX beta 800 TC
- Ø 700 × 2065, DMG MORI токарный с ЧПУ CTX gamma 2000
- Ø 700 × 2000, DMG MORI токарный с ЧПУ CTX gamma 2000 TC
- Ø 315х500, ГДР токарно-винторезный DLZ-315
- Ø 200, Венгрия токарно-винторезный EMU-200
- Ø 430, КНДР токарно-винторезный Кусон-3
- Ø 330, TOS, Словакия токарно-винторезный SN-32
- Ø 500, TOS, Словакия токарно-винторезный SN-50
- Ø 400, Румыния токарно-винторезный SNA-400
- Ø 270 х 500 токарно-винторезный Schaublin 125
- Ø 340 х 630 токарно-винторезный Schaublin 150
- Ø 430,510, Румыния токарно-винторезный SN-402, SN-502
- Ø 380, TOS, Словакия токарно-винторезный SV18RA
Станки токарные настольные: Китай, Чехия, Польша
- Ø 225, Meritlink, Китай токарный настольный Aiken-180 (Aiken MCJ-180/350-2)
- Ø 100, Jet токарный настольный Jet BD-3
- Ø 180, Jet токарный настольный Jet BD-7
- Ø 210, Jet токарный настольный Jet BD-8
- Ø 220, Jet токарный настольный Jet BD-920w
- Ø 180, Энкор токарный настольный Корвет 400
- Ø 180, Энкор токарный настольный Корвет 401
- Ø 220, Энкор токарный настольный Корвет 402
- Ø 220, Энкор токарный настольный Корвет 403
- Ø 220, Энкор токарно-фрезерный настольный Корвет 407
- Ø 180, Кратон токарный настольный MML-01
- Ø 180, Metal Master токарный настольный MML 180×300 (MML-1830)
- Ø 250, Metal Master токарный настольный MML 250×550 (MML-2550)
- Ø 160, TOS, Чехословакия токарный настольный MN-80 a
- Ø 180, Китай токарный настольный Профи-350
- Ø 250, Китай токарный настольный Профи-550
- Ø 180, Proma, Чехия токарный настольный SM-300E
- Ø 140, Proma, Чехия токарный настольный SM-250
- Ø 200, Proma, Чехия токарный универсальный SPA-500
- Ø 140, Калибр токарный комбинированный СТМК-150
- Ø 180, Калибр токарный настольный СТМН-550
- Ø 90, Технореал токарный настольный TL-180
- Ø 160, Польша токарный настольный TSA-16
- Ø 90, Weiss Group, Китай токарный настольный WM180V
Бизнес план по токарному производству
Сразу скажу. Заработать можно, и даже пару миллионов. Главное правильно построить стратегию.
Место.
Хорошо бы чтобы это был ваш гараж, квадратов от 24. С печным отоплением. Подводка электричества минимум от 15 квт. Это стартовый пик запуска на станок 16к20. мощностью 12 квт. На ИЖа и 1а616 мощность будет меньше 5-7 квт будет достаточно. Меньше станок не советую. Бетонное основание для станка. Рассматриваем только вариант с виброопорами. Не бетонируйте. Станки в процессе расширения дела будете точно двигать, Со временем появиться фрезерный. и может что еще. Расстояние од дома желательно как можно ближе. В идеале частный дом в черте города. А на участке гараж из кирпича. По началу работы не так много, зачем будеш пропадать в гараже целыми днями. Станки на механике неприхотливы к погодным условиям. Даже минус им не повредит. Лишь бы смазка не замерзла. На будущее предусмотри чтобы был круглогодичный подъезд к месту. Снег чистили, Весной не уплыть.
От того какое место есть и выберешь будет удобство доставки материалов, да и самому на год гараж будет твоим вторым домом.
2 Оборудование.
Станок в идеале будет 1м63, но он громоздкий, зато барабаны на супер МАЗ точить будет можно. Самый идеальный станок по отношению размеров и возможностей это 16к25, 1к625 или аналог. С патроном на 250, и способностью зажать диаметры 0 до 500 мм. К выбору станка надо подойти тщательно. Станок более менее в нормальном состоянии будет стоить не меньше 100 тыс. Не пытайся искать оборудование в колхозах и ремонтных мастерских, туда шли уже станки после кап ремонтов. Нормальных в этом секторе нет.
Рассмотри вариант с обонкротившихся заводов. На аукционах. Этот путь более тяжел, но оборудование из первых рук. Следующий шаг перекупы. Ищем их на Авито, Директлот. Да да, тут тоже есть перекупы, они и покупают с аукционов. Будет дороже. Продается станок по договору купли продажи, можно написанному от руки с предоставлением паспортных данных, и ценой. Это будет документом и для перевозки.
Ленточные станки по дереву (пилы)
Ленточные станки (пилы) по дереву применяются для осуществления распила древесины и прочих древесных и деревосодержащих материалов. Станки способны выполнять как прямолинейный распил, так и криволинейный. При своих относительно небольших габаритах и прекрасной мобильности данный вид деревообрабатывающих станков обладает весьма внушительной производительностью, благодаря чему активно и повсеместно применяется в небольших столярных, мебельных и модельных производствах.
Ленточнопильные станки можно применять для выполнения торцевания больших заготовок, а так же для вырезания разнообразных фигурных изделий. На данном оборудовании, как правило, изготавливают ламели и разные детали к мебели. Ленточнопильные станки служат для ребрового деления брусьев, необрезных и обрезных досок.
Основной же функцией ленточнопильных станков является прямолинейный или криволинейный распил древесины. Обработка заготовок осуществляется с помощью стальных заостренных лент, другими слова пил, сваренных в цельные кольца. Сама ленточная пила надевается непосредственно на пильные шкивы, соприкасаясь с ободом боковой поверхности.
Ленточная пила является своего рода гибкой стальной лентой, у которой расположение зубьев идет только лишь по одному из ее краев. Ленту устанавливают на двух специальных шкива ленточного станка, каждый из которых вращается за счет работы электромотора передающего им энергию.
В зависимости от установленного типа механизма, ленточные пилы можно разделить на:
— зубчатые — при использовании данного типа пил в ленточнопильных станках по дереву пила производится замкнутой и имеет увеличенную длину;
— беззубые пилы трения — отличается устройство данного вида пил, прежде всего, отсутствием зубьев привычного вида, в них назначение зубьев несколько иное, они позволяют увеличивать трение, что тем самым повышает производительность пилы;
— пилы электроискрового действия — пила электроискрового действия очень востребована в случаи необходимости распила заготовок имеющих толщину более 150 мм, ленточное устройство оснащенное данным видом пил великолепно справляется с заготовками диаметром более 300 мм.
Рабочий стол ленточных станков представляет собой мощную крепкую платформу, на которой установлены направляющие планки. Которые позволяют осуществлять движение заготовки ровно и четко вдоль линии разметки. Большинство моделей ленточных станков обладают возможность регулировки угла наклона стола и его поворота.
В большинстве станков используется электрический асинхронный двигатель, который за счет использования ременной передачи, которая подразумевает наличие нескольких рабочих скоростей, надежно защищен от перегрузок. Для достижения высокого уровня безопасности пользователя в станках данного типа, как правило, используется магнитный пускатель и концевой выключатель. Первый делает невозможным включение станка после временного отключения от электросети, второй автоматически выключает двигатель, как только открывается боковой кожух. Для вывода производственных отходов в станках предусмотрено наличие специального патрубка, к которому в большинстве случаев можно подключать производственный пылесос.
При выборе станка данного типа следует обращать внимание на такие важные технические характеристики:
— Глубина и ширина пропила. Эти параметры могу составлять от 80 до 360 мм и от 230 до 610 мм соответственно.
— Количество скоростей работы. Регулировка скоростей позволяет точно устанавливать рабочие режимы для определенного вида материалов.
— Наклон стола дает возможность производить раскрой под углом.
Какой токарный станок лучше
Для мастерской можно приобрести швейцарский, американский, немецкий токарный станок с электродвигателем разной мощности. Какой производитель лучше – определяется репутацией бренда, качеством сборки, функциональностью оборудования и разнообразием представленных моделей. Наша команда рекомендует выбирать технику в соответствии с поставленными задачами
Рекомендуем обратить внимание на следующие модели:
- Jet BD-8VS 50000911M – универсальный выбор для домашней мастерской и для нарезки резьбы;
- Ferrox ML 110×125 Vs 44924 – для тех, кто решил поработать в квартире;
- Triod LAMT-500P/400 – хорошая модель для гаража или СТО;
- Энкор Корвет-74 – надежная техника для домашней столярной мастерской;
- Record Power DML 305 – займет достойное место на небольшом производстве.
Предложенное оборудование объединяет доступная цена и высокое качество сборки, хорошее техническое оснащение. Такие модели достойны называться лучшими в своем классе.
Выводы
Для работ по дому или в гараже подойдут универсальные малогабаритные напольные или настольные токарные станки, работающие от сети 220 В. Они имеют малую или среднюю мощность, обрабатывают небольшие детали, болванки. Как правило такое оборудование стоит дешевле, чем профессиональные агрегаты.
Для ведения бизнеса (СТО, ремонтная мастерская, точильный цех) подходят полупрофессиональные и профессиональные модели с высокой точностью обработки. Как правило, они крепятся на устойчивой станине, обеспечивающей защиту от вибраций, но занимают много места. Они имеют высокую производительность и цену. Нередко оснащены электронным программным управлением.




































