Варианты подключения радиаторов
Чтобы знать, как правильно подключить батарею отопления, нужно учесть, что помимо типов разводки трубопровода существует несколько схем подключения батарей к отопительной системе. К ним относятся следующие варианты подключения радиаторов отопления в частном доме:
В этом случае подключение отводящей и подающей трубы производится с одной стороны радиатора. Такой способ подключения позволяет достичь равномерного прогрева каждой секции при минимальных затратах на оборудование и небольшой объем теплоносителя. Чаще всего используется в многоэтажных домах, с большим количеством радиаторов.
Полезная информация: Если батарея, подключенная к системе отопления по односторонней схеме, имеет большое количество секций, эффективность ее теплоотдачи значительно снизится из-за слабого прогрева ее отдаленных секций. Лучше следить за тем, чтобы число секций не превышало 12 шт. или использовать другой способ подключения.
Используется при подсоединении к системе отопительных приборов с большим количеством секций. В данном случае подводящая труба так же, как и при предыдущем варианте подключения, находится сверху, а обратка – снизу, но располагаются они с противоположных сторон радиатора. Таким образом, достигается прогрев максимальной площади батареи, что повышает теплоотдачу и улучшает эффективность обогрева помещения.
Эта схема подключения, иначе называемая «ленинградкой», используется в системах со скрытым трубопроводом, проложенным под полом. При этом подключение подводящей и отводящей труб производится к нижним патрубкам секций, расположенных на противоположных концах батареи.
Недостатком данной схемы являются теплопотери, достигающие 12-14 %, компенсировать которые позволяет установка воздушных клапанов, предназначенных для удаления воздуха из системы и повышения мощности батареи.
Теплопотери зависят от выбора способа подключения радиатора
Для быстрого демонтажа и ремонта радиатора его отводящая и подводящая трубы комплектуются специальными кранами. Для регулировки мощности он снабжается терморегулирующим устройством, которое устанавливается на подводящей трубе.
Какими обладают алюминиевые радиаторы отопления техническими характеристиками. вы можете узнать из отдельной статьи. В ней вы также найдете перечень популярных фирм-производителей.
А о том, что собой представляет расширительный бачок для отопления закрытого типа. читайте в другой статье. Расчет объема, установка.
Советы по выбору проточного водонагревателя на кран есть здесь. Устройство, популярные модели.
Как правило, монтаж отопительной системы и установка радиаторов отопления производится приглашенными специалистами. Однако, используя перечисленные способы подключения радиаторов отопления в частном доме, это можно сделать самостоятельно, строго соблюдая технологическую последовательность этого процесса.
Если выполнить эти работы точно и грамотно, обеспечив герметичность всех соединений в системе, с ней не возникнет никаких проблем при эксплуатации, а расходы на монтаж будут минимальными.
На фото пример диагонального способа установки радиатора в загородном доме
Порядок действий при этом будет следующим:
- Демонтируем старый радиатор (при необходимости), предварительно перекрыв отопительную магистраль.
- Производим разметку места установки. Фиксация радиаторов производится на кронштейны, которые нужно прикрепить к стенам, с учетом нормативных требований, описанных ранее. Это нужно учитывать при разметке.
- Крепим кронштейны.
- Собираем батарею. Для этого на имеющиеся в ней монтажные отверстия устанавливаем переходники (идут в комплекте с прибором).
Внимание: Обычно два переходника имеют левую резьбу, и два – правую!
- Для заглушки неиспользуемых коллекторов используем краны Маевского и запорные колпачки. Для герметизации соединений используем сантехнический лен, наматывая его на левую резьбу против часовой стрелки, на правую – по часовой.
- Прикручиваем краны шарового типа к местам соединения с трубопроводом.
- Вешаем радиатор на место и соединяем его с трубопроводом с обязательной герметизацией соединений.
- Производим опрессовку и пробный пуск воды.
Таким образом, перед тем, как подключить батарею отопления в частном доме, необходимо определиться с типом разводки в системе и схемой ее подключения. Монтажные работы при этом можно выполнить и самостоятельно, учитывая установленные нормы и технологию процесса.
Как проводится установка батарей отопления в частном доме видео продемонстрирует вам наглядно.
Расчет циркуляционного насоса
Для выбора подходящего циркуляционного насоса необходимо определить основные параметры – напор и расход (производительность). Расход теплоносителя рассчитывается по сумме расхода всех контуров. Напор принимается максимальный в самом протяженном контуре.
Для вычисления производительности в системах с теплоносителем-водой используют следующую формулу:
- Pн — мощность отопительного контура, кВт, складывают мощность всех контуров.
- tобр — температура теплоносителя в обратке.
- tпр — температура подачи.
Разницу температур принимают обычно равной 5 °С.
Напор насоса рассчитывают по самому длинному контуру. Используют формулу:
- ∆ Н – гидравлические потери.
- L – длина контура.
- Q – расход воды в л/с.
- k – коэффициент расхода, для приближенных расчетов частного дома принимают 0,3-0,4 л/с.
Напор насоса должен быть равен или немного больше значения гидравлических потерь. Для обеспечения различных режимов работы обычно выбирают трехскоростные насосы, причем выбор осуществляют по параметрам при работе на второй скорости (чтобы был запас мощности на случай холодов).
Что выбрать: теплый пол или батареи?
Зимой в частном доме очень приятно смотреть на открытый огонь, пламя в очаге и запах дров от печки. Привлекательность внешнего вида на самом деле кроет в себе массу нюансов использования – дрова нужно подкладывать, дымоход чистить, тепло в помещении будет только при растопке камина.
Со временем этот вид отопления заменяется современными тепловыми системами – радиаторами или теплыми полами. Водяное отопление от котлов позволяет сделать теплые полы или теплые стены. Выбрать тип обогрева и конфигурацию контура можно, рассмотрев достоинства и недостатки, которыми обладает теплый пол и батареи.
Процесс прокладки труб и подсоединения «теплого пола»
В практическом плане решить вопрос, как сделать теплый пол от отопления в доме растягивается на несколько недель. Начальный этап включает следующие основные работы: расчистку помещения, укладку гидроизоляции и заливку бетоном основания. При заливке основания обязательно выставляются маяки, именно на этом этапе формируется профиль поверхности, и если маяки устанавливаться не будут, то велика вероятность того, что поверхность получится неровной. Здесь стоит отметить, что продолжать работы после заливки стяжки пола можно через 7-9 суток, именно столько времени необходимо, чтобы бетон не только схватился, но и из его толщи испарилась влага.
Поверх стяжки делается укладка утеплителя – она может выполняться, как поверх бетонной стяжки, так и с дополнительным слоем изоляционного материала. Фольгированный утеплитель укладывается фольгой вверх. Когда в пенопласте имеются направляющие прокладки труб, то пластины ориентируются согласно схемы прокладки труб.
Работы по монтажу начинается с подключения одного конца к коллектору. Значения особого не имеет, это будет кольцом подачи или обратки, главное, чтобы труба аккуратно ложилась по трассе. Обычно делается прокладка всего маршрута, и после этого начинается фиксация трубы. При использовании теплоотражающих экранов сначала укладываются экраны, а потом фиксируются трубы.
После того как весь трубопровод будет зафиксирован, делается подключение второго конца трубы к системе отопления. После того, как будет сделано подключение система заполняется теплоносителем или делается накачка трубы воздухом. Пробная топка делается после того как система постоит с наполненным теплоносителем 1-2 дня. Этого времени достаточно, чтобы выявить места протекания и устранить течи.
Во время первого пробного запуска проводится замер температуры теплоносителя, делается калибровка клапанов, регулируется скорость работы насоса. Заливка стяжки осуществляется после того, как теплоноситель остынет. Только после этого укладывается второй армирующий слой сетки, устанавливаются маяки и делается заливка. Для верхнего слоя при использовании сетки толщина должна составлять 4-5 см. Этого достаточно, чтобы обеспечить целостность труб и жесткость основания под ламинат или плитку.
Какая система отопления лучше для частного дома
Вопрос о проведении отопительной системы волнует многих домовладельцев.
Какое отопление лучше в частном доме, какое топливо будет обходиться дешевле, из какого материала должны быть изготовлены трубы, чем отличаются разные модели радиаторов? В данной статье будут рассмотрены основные элементы системы отопления, которые представлены на современном рынке. Стоит лишь отметить, что окончательный выбор всегда остается за владельцем дома, и что существуют индивидуальные варианты отопления частного дома.
Какое отопление лучше: критерии оценки
Каждый человек может вложить в понятие «эффективное отопление частного дома» свое собственное значение, поэтому универсальной формулы выбора подходящей системы не существует. Но всегда находятся общие критерии, по которым можно определить наиболее оптимальный вариант «в целом».
К современным отопительным системам применяются следующие требования:
- Правильное соотношение цены и качества. Под качеством в данном случае подразумевается высокий КПД, т.е. система должна обеспечивать здание необходимым количеством тепла, причем затраты на него должны сводиться к минимуму.
- Наличие максимума автоматизации. Современная система отопления должна требовать минимального вмешательства при эксплуатации. Как показывает практика, большинство домовладельцев предпочитают один раз настроить систему и больше к ней не подходить. Качественные современные отопительные системы для частных домов позволяют это сделать.
- Надежность. Система должна быть максимально надежной, чтобы не пришлось обновлять ее элементы каждые полгода. К тому же, изначальная стоимость конструкции должна быть как можно ниже: мало кто согласится пользоваться системой, стоимость которой можно сравнить со стоимостью самого здания.
- Простота монтажа. Установка всей системы должна быть простой и требовать минимума затрат. В некоторых случаях для монтажа требуются специфические инструменты, которые в долгосрочной перспективе могут оказаться бесполезными.
Исходные данные
Существуют различные способы отопления частного дома, и одним из решающих факторов при выборе отопления будут внешние условия. К ним можно отнести и нюансы, возникающие в каждой конкретной системе, и стоимость топлива с учетом динамики ее роста, и возможности, которым каждая система располагает.
Системы центрального отопления находятся в полной зависимости от удаленной котельной, поэтому контролировать температурный режим и уровень давления не получится, а вот автономное отопление целиком и полностью зависит от пользователя.
Большинство котлов оснащено устройствами, позволяющими устанавливать температуру теплоносителя в довольно узких пределах.В центральном отоплении существует и такое явление, как возникновение гальванических пар.
Обратите внимание
Происходит это из-за того, что на разных участках трубопровода устанавливаются элементы, изготовленные из металлов, которые при взаимодействии порождают небольшое напряжение, приводящее к форсированию износа деталей.
Когда речь заходит о стоимости энергоресурсов, то их все можно расположить в порядке повышения их цены:
- Магистральный газ.
- Дрова.
- Уголь.
- Сжиженный газ.
- Отработанное масло.
- Электричество.
Конечно, в зависимости от региона этот порядок может меняться, но существенных изменений не будет: газ всегда остается наиболее бюджетным энергоресурсом, а отопление за счет электричества в любом случае получается более затратным.
Но нельзя забывать о том, что ископаемые ресурсы ограничены, и их стоимость понижаться уже не будет, поэтому в ближайшие годы должен произойти переход на возобновляемые источники сегодняшний день устройства, позволяющие использовать эти источники, имеют довольно высокую стоимость, но при эксплуатации расходы получаются очень низкими.
Выбор системы отопления для частного дома
Исходные данные получены, и вся информация о видах топлива рассмотрена. Какое отопление лучше в частном доме, и как достичь соответствия описанных выше требований и соблюдения баланса между эффективностью и расходами? Рассмотрим все элементы системы по порядку.
Схемы подключения радиаторов к трубам
Насколько эффективно радиаторное отопление, зависит и от способа подключения приборов к трубам. Существует три основных типа их соединения.
Как можно подключить радиатор к трубам
- Боковое, когда подключение подающего и обратного контуров осуществляется с одного бока батареи: подающий – сверху, а обратный – снизу. Если подачу и обратку поменять местами, эффективность теплоотдачи приборов снизится в среднем на 7%.
- Диагональное, когда сверху батареи подключается подача, а в нижней противоположной части – обратка. Именно этот способ считается лучше остальных с точки зрения эффективности теплоотдачи.
- Нижнее, используемое не только в однотрубных схемах подключения, но и в двухтрубных. По мнению специалистов, такой способ является самым неэффективным.
Элементы системы
Ленинградка состоит из следующих элементов:
- нагревательного котла, который обычно устанавливается в подсобном помещении (котельной);
- труб для стояка и подводки;
- расширительного бачка (мембранного либо не герметичного);
- радиаторов отопления.
Для увеличения эффективности система может быть дополнена следующими компонентами:
- кранами Маевского для стравливания воздуха из системы;
- гидравлическим насосом. Улучшает циркуляцию, но делает систему энергозависимой. Устанавливается на обратном трубопроводе;
- байпасами с игольчатыми вентилями, позволяющими плавно регулировать поток теплоносителя;
Байпас в системе отопления – это маленький отрезок трубопровода, который устанавливается параллельно арматуре, запорной и регулирующей
Регуляторы температуры для батарей
Шаровые клапаны на батареях отопления
Подбор радиаторов
Радиаторы подбирают в зависимости от конструкции системы отопления — магистральная или автономная
Воздушный теплообменник рассеивает тепло в окружающее пространство посредством конвекции и излучения. Радиаторы различаются в зависимости от материала, из которого они сделаны:
- стальные;
- чугунные;
- биметаллические;
- алюминиевые.
Панельные радиаторы из стали отличаются средней ценой, имеют универсальное соединение, служат 25 – 30 лет. Элементы выпускаются разных размеров по высоте и длине. Стальные батареи выдерживают напор до 8 атм, при тестовом показателе 25 атм, требуют предварительного расчета по мощности. Элементы разрушаются из-за коррозии в местах, которые были повреждены.
Современные чугунные батареи можно выбрать по дизайну, размеру
Чугунные батареи старого образца отличаются большими габаритами и весом, есть современные модели небольших размеров, разработанные совместно конструкторами и дизайнерами. Срок службы – до 50 лет, выдерживают давление 6–10 атм, при тестовом показателе от 15 атм. Элементы стойко сопротивляются коррозии, подвержены засорению кальциевыми осадками.
Внутри биметаллических радиаторов установлен стальной распределительный коллектор, что повышает показатель рабочего напора до 25 атм. Батареи совмещаются с разными трубами, отличаются небольшой массой. Стоимость элементов высокая, не рекомендуется использование антифриза, т. к. возникают протечки.
Алюминиевые батареи хорошо отдают тепло, отличаются привлекательным видом и малым весом. Можно набирать разное число секций, устанавливать в самотечных схемах отопления, но только замкнутых систем. Рабочее давление в диапазоне 7–12 атм, при тестовом показателе 25 атм. Взаимодействие с медными элементами вызывает появление токов, способствующих коррозии.
Как можно подвести водяной теплый пол?
В комнату пол с водяным контуром можно установить двумя способами: от стояка или от батареи отопления. Подвод от общего стояка считается более трудоемким и громоздким, поскольку трубопровод нужно вести через всю комнату, что сложно замаскировать.
Диаметр трубы требуется довольно большой, поскольку теплоноситель в ней циркулирует. Подключение от батареи проще, и визуально не портит интерьер.

Производительность системы нагрева полов будет выше, поскольку источник отопления близко, а сечение трубы совпадает с диаметром труб в батарее. Схема укладки предпочтительнее в виде змейки.
Подключение от центрального отопления встречается чаще в частных домах, поскольку в квартире это сделать сложнее из-за соседей и неготовности систем отопления к современной теплотехнике.
Как и какую систему отопления выбрать для частного дома
Обладая информацией о принципах работы в частных домах систем отопления разных типов, вам предстоит выбрать наиболее оптимальную для вашего жилища.
Если для дачного домика вполне подойдет электрическое теплоснабжение, то в деревянном доме, в котором проживание семьи будет постоянным, целесообразно использовать водяную систему. В таком случае теплоснабжение будет обеспечиваться местной котельной. Если с электроэнергией перебоев не наблюдается, возможна организация в таком доме электрического отопления.
Важным условием того, какую систему отопления выбрать для частного дома, является получение всей необходимой информации об источнике тепловой энергии в данной местности.
Помимо этого, еще одним важным моментом в выборе отопительной системы для частного дома является ее стоимость, которая зависит, в свою очередь, от цены трубопровода и топлива, а также стоимости необходимого оборудования, монтажных работ и обслуживания.
Обязательно нужно учесть все затраты (как финансовые, так и трудовые), которые будут приходиться на используемое топливо — его доставку, хранение и заготовку (в том случае, если используется твердое топливо в виде угля или дров). Необходимо выполнить тщательный расчет, показывающий расход топлива. Здесь важны два аспекта: продолжительность отапливания (только в летнее время или на протяжении всего года) и объем помещений.
Главное условие при выборе отопительной системы — ее способность создать комфортные условия для проживания в доме. Это следует учитывать в первую очередь, а уже затем — стоимость услуг теплоснабжения.
Схема с трехходовым клапаном
В подавляющем большинстве домов монтируют именно эту комбинированную систему теплых полов.


Спецификация материалов и оборудования

Она включает в себя:
наличие радиаторов отопления с нагревом до 70-80С
отдельный контур ТП со средней температурой воды в 40С
Главный вопрос здесь — как получить из 80 градусов идущих на батареи, поток воды для теплых полов в два раза меньшей температуры.
Проблема решается при помощи трехходового термостатического клапана.
Монтируется он на подающей трубе. При этом после него не забудьте поставить циркуляционный насос.
Более холодная вода берется из обратки теплого пола. Смешиваясь с горячей водой поступающей из котла, теплоноситель и приобретает пониженную температуру, необходимую для напольного отопления.
Недостатком такой схемы является то, что вы не сможете точно ограничить и отрегулировать поток остывшей воды из обратки. Чем это чревато?
Тем, что в трубки теплых полов периодически будет попадать как слишком остывшая вода, так и наоборот — перегретая сверх нормы.
Эффективность и комфорт всей системы из-за этого страдает.
Непридирчивый человек этого может и не заметить, тем не менее данные перепады температуры в этой схеме присутствуют, и от них никуда не деться. Конечно, временные отрезки подачи горячего и непрогретого теплоносителя могут компенсироваться тепловой инерцией бетона стяжки.
Но это все относительно. Никогда точно не рассчитаешь оптимальную толщину при таком обогреве.
Достоинства такой комбинированной схемы с трехходовым клапаном:
простой монтаж
доступная цена оборудования
Такой способ монтажа себя оправдывает, если у вас квартира или дом небольшой площади. Да и завышенными требованиями к суперкомфортным условиям проживания вы не страдаете.
Отопительные радиаторы
Технические параметры отопительных радиаторов оказывают заметное влияние на эффективность всей системы.
| Вид радиаторов | Технические и эксплуатационные параметры |
|---|---|
![]() Чугунные | Традиционные, но устаревшие элементы, имеют большие размеры и вес. Выдерживают рабочее давление до 10 атм., тестовое более 15 атм. Срок службы – не менее 50 лет, есть возможность изменять количество секций одной батареи. Совместимы со всеми стандартными трубопроводами, теплоотдача в пределах 120 Вт, но этот показатель может существенно изменяться в зависимости от количества слоев краски и толщины пыли. Минусы – некрасивый дизайн, особенности технологического процесса производства не позволяются создавать современный внешний вид. |
![]() Алюминиевые | Имеют небольшой вес и большую теплоотдачу. Рабочее давление до 12 атм., имеют более современный дизайн. Количество секций может изменяться с учетом размеров помещений. По стоимости существенно превосходят чугунные. |
![]() Биметаллические | Основной металл – алюминий, трубки из стали (повышается устойчивость к высокому давлению). Самые дорогие радиаторы, имеют отличный дизайн. |
![]() Стальные (панельные) | В настоящее время применяются довольно редко. Преимущества – невысокая стоимость. Недостаток – велика вероятность появления протечек в некачественных сварных швах, небольшая площадь теплопередачи. Еще один недостаток – стальные радиаторы имеют стандартные размеры. |
Нюансы проведения монтажа
Технология монтажных схем водяных теплых полов в частном доме определяется особенностями определенного отопительного контура.
На варианты монтажа конструкции оказывают влияние многие параметры
Монтажные работы конструкции имеют следующие отличительные особенности:
Основа под оборудование подбирается с учетом напольного покрытия.
1 – балка перекрытия; 2 – продольная балка; 3 – лаги; 4 – закладные под трубы; 5 – труба; 6 – финишное покрытие
По периметру помещения устанавливается демпферная лента. Амортизирующий элемент уменьшает потери тепла в местах стыка пола со стеновыми поверхностями.
Особенности укладки демпферной ленты
На бетонные плиты монтируется сама система в стяжке.
Устройство стяжки под водяной теплый пол
На основание укладывается гидроизоляция, арматурная сетка и слой утеплителя.
Укладка гидроизоляционного материала на основание
Трубы к каркасу монтируются при помощи хомутов или стальной проволоки.
Монтаж к каркасной конструкции
Для теплого пола применяются специальные бесшовные трубы. Контур монтируется из цельной магистрали. Материал для труб должен обладать стойкостью к коррозии и устойчивостью к высоким температурам.
Специальные трубы для водяного контура
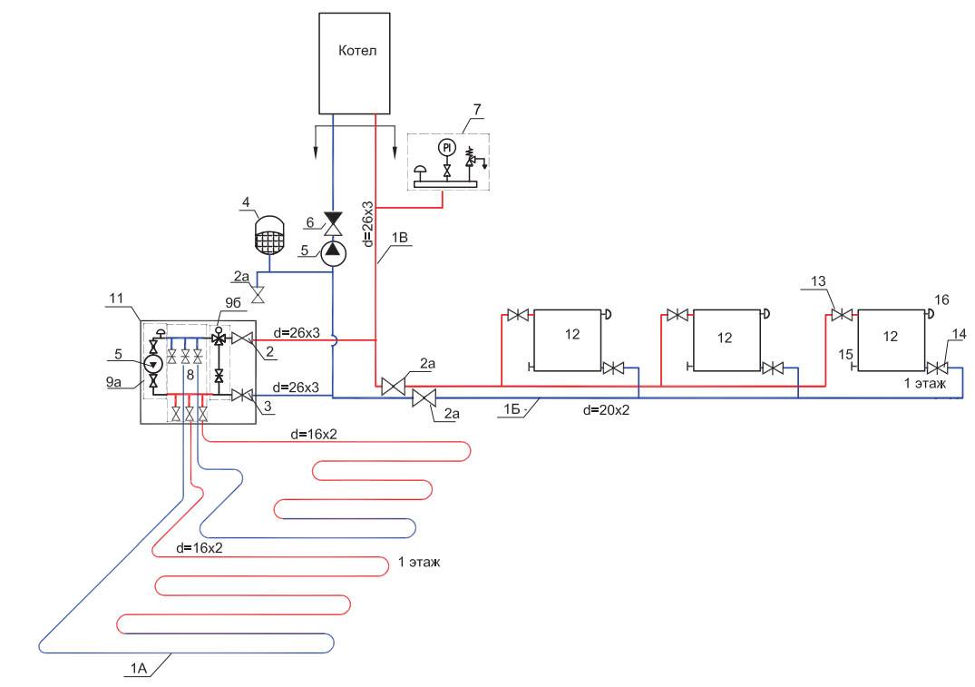
Схема «Ленинградка»
«Ленинградка» – одна из самых простых, но тем не мене достаточно эффективных и экономичных отопительных схем разводки частного дома. Она похожа на однотрубную схему, то есть теплоноситель последовательно проходит по всем радиаторам помещения, постепенно теряя температуру нагрева. Магистральная труба размещается вдоль пола и закольцовывает контур от нагревательного устройства. Применять «Ленинградку» лучше всего в одноэтажных домах, чтобы все батареи находились на одном уровне. В этом случае система может работать при естественной циркуляции, но при её монтаже в двухэтажных домах необходимо применять принудительную подачу теплоносителя.
Достоинствами этой схемы являются:
- экономный расход материалов;
- легкий монтаж;
- длительная надёжная эксплуатация;
- возможность спрятать магистральную трубу под напольным покрытием для улучшения эстетичности интерьера.
Ленинградка» не лишена существенных недостатков:
- невозможность поддерживать одинаковый температурный режим во всех помещениях;
- горизонтальная разводка не позволяет подключать теплый пол или полотенцесушители;
- большая площадь помещения требует применение циркуляционного насоса для обеспечения рабочего давления в системе.
Теплые полы от батареи в квартире
Во многих инструкциях указывается, как сделать теплый пол или батареи в квартире, но чаще такие рекомендации адресованы владельцам частных домов. В многоквартирном доме допускается изменение отопительного контура, но процесс монтажа имеет некоторые нюансы.
В первую очередь, контур подогрева пола повлечет за собой дисбаланс температур в квартирах по соседству. Если сделать систему обогрева неправильно, то это может вызвать аварийные ситуации и проблемы с коммунальными службами.
Часто встречающиеся проблемы
При монтаже в квартире пола с подогревом часто встречаются следующие проблемы:
- Вода в контуре очень горячая. Температура достигает 90 градусов тепла, что не допускается для трубопровода в перекрытиях. Максимальный допустимый уровень – 50 градусов, при превышении система повреждается, и напольное покрытие может быть уничтожено;
- Официально запрещено устанавливать системы обогрева в перекрытиях многоквартирных домов. По законодательству при первой же проверке жилищно-коммунальная служба может выписать штраф;
- Отопительные системы подключают через элеватор, а теплые полы только трубками из меди. Медные соединения дороги, как и оборудование для работы с ними и услуги профессионалов.
Решение проблем с монтажом водяного теплого пола в квартире
При невозможности монтажа водяного контура, можно остановить свой выбор на электрических системах. Кабельный нагрев не только разрешен, но и проще в работе.
Мощность обогревательного кабеля не должна перегружать общую электросеть, а площадь его укладки занимает в разы меньше места, чем трубопровод с горячей водой.
Законодательство не препятствует обустройству дополнительного комфорта в жилой квартире, поэтому использование электрики допускается в течение всего года, а водяные полы – только когда есть горячая вода.










































