Вертолет
Такая самоделка относится к сложным и поэтому в жизнь на сегодня не воплощена. Она — в мечтах энтузиастов, в придуманных историях. Одна из них утверждает, что еще в СССР заключенный, разбирающийся в механике, сделал вертолет с двигателем от бензопилы и смог убежать из колонии.
Изготовление самодельного вертолета требует, в отличие от снегохода, лодочного мотора, велосипеда, болгарки и даже снегоуборщика, более сложных инженерных расчетов. Они же показывают, что один, даже мощный, двигатель не способен поднять в воздух такой летательный аппарат. Требуется как минимум 4 мотора, причем форсированных и работающих согласованно на максимально возможных оборотах. А реализовать это с двигателями от бензопил на практике затруднительно.
Самоделки из бензопилы: лодочный мотор и другие средства передвижения
Лодочные моторы из бензопилы впервые стали использовать во времена Второй мировой войны на территории Юго-Восточной Азии, потому как сами пилы стоили в несколько раз дешевле моторов. Сначала для крепления вала применяли бамбуковые палки, которые по мере износа заменяли на новые. Для того чтобы изготовить самоделку из бензопилы «Штиль», требуется снять шину с прибора, а на ее место установить либо готовый лодочный винт, либо самодельный. Чтобы выполнить крепление, понадобится приобрести специальный переходник.
Затем самодельный мотор для лодки из бензопилы закрепляется на заднем борту плавательного средства таким образом, чтобы винт был погружен в воду под определенным углом. В некоторых случаях вместо переходника используется редуктор. По большому счету такая самодельная конструкция считается экономным вариантом, позволяющим ускорить перемещение по водной глади, что особенно актуально для рыбаков или охотников. Мотор обеспечивает хороший ход небольшой лодке и при этом отличается экономичностью.
Самодельный лодочный мотор из бензопилы может сделать даже новичок
Велосипед (мопед, картинг, самокат, квадроцикл) с мотором от бензопилы своими руками
Современные садоводы все чаще экспериментируют с имеющимися в их распоряжении бензиновыми инструментами. Главным образом, для этого используется хозяйственная бензопила. Очень часто ее двигатель становиться основой для изготовления для самостоятельной сборки простых, но очень полезных самоделок. К примеру, из подходящего мотора от бензопилы можно сделать велосипед, мопед, картинг, самокат и массу других средств для передвижения.
Самодельные мопеды из бензопилы станут полезными для передвижения по пересеченной местности. Их также часто используют для движения в городской черте, где скапливается много транспорта. Небольшие габариты мопедов дают им возможность беспрепятственно преодолевать пробки, и проходить небольшие препятствия.
Для сборки потребуется:
- двигатель от бензинового инструмента. От его мощности зависит скорость движения мопеда. При выборе мотора нужно отталкиваться от того, что ДВС с мощностью 2 л. с. хватит для движения на скорости не более 40 км/ч;
- резервуар для заправки мопеда топливом. Лучше всего выбирать металлические баки или емкости из твердого многослойного пластика;
- рычаг газа и стандартный велосипедный трос – они нужны для регулировки положения дроссельной заслонки;
- переключатель и проводка – требуются для монтажа и подключения штатной системы зажигания мотора для мопеда;
- детали для изготовления кронштейна, гайки и болты – нужны для установки мотора на опорной раме;
- ремни, цепи и шкивы – они дадут возможность подключить ведущее колесо мопеда к двигателю от бензопилы.
Сборка мопеда из бензопилы должна выполняться в таком порядке:
- В первую очередь следует рассчитать передачу усилия от двигателя на колесо. Для этого потребуется определить необходимое передаточное число для мопеда. Если оно будет слишком малым, то ДВС не сможет передать свое усилие на колесо мопеда. В случае с крайне большим передаточным числом, мотор будет работать на очень высоких оборотах, а мопед, при этом, станет ехать слишком медленно. Существует определенный пример, отталкиваясь от которого можно определить оптимальное передаточное число. Если мощность используемого мотора составляет 1,8 л. с., а его максимальные обороты – 12500 об/мин., то оптимальным передаточным числом для мопеда станет показатель 1:26;
- Наиболее простым методом передать усилие от штатного шкива на колесо мопеда – напрямую от двигателя. Также можно оборудовать заднее колесо шкивом или звездочкой, которая должна быть соединена с мотором цепью или ремнем;
- Далее потребуется оборудовать велосипед сцеплением. Самый простой способ – использовать штатное центробежное сцепление от бензопилы. В некоторых случаях владельцы бензопил подключают штатное сцепление для мопеда к велосипедной трещотке. После этого мопеды разгоняются и движутся по инерции, что дает возможность сэкономить горючее и моторное масло;
- На следующем этапе нужно установить бензиновый резервуар. Чтобы сделать устройство безопасным, резервуар потребуется расположить на раме велосипеда, подключив емкость к двигателю при помощи топливного шланга;
- Затем потребуется установить зажигание. Для этого штатный провод узла нужно протянуть от мотора к ручке велосипеда. Последнюю нужно оборудовать переключателем, который даст возможность заглушить ДВС самодельного мопеда.
Для возможности управления мотором, самодельный мопед можно оснастить ручкой газа. Для этого подойдет деталь от горного велосипеда, Из ручки нужно извлечь фиксатор – это даст ей возможность плавно передвигаться в любых направлениях. После этого штатный трос потребуется подключить к заводской заслонке дросселя.
Мотокультиватор, снегоуборщик, ледобур и буроям своими руками
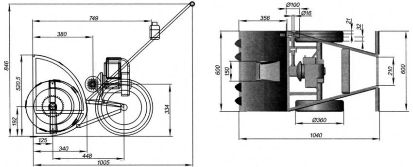
Мотор из бензопилы отлично подойдет и для создания мотокультиватора, предназначенного для вспашки целины (для легких грунтов). Для работы с плотными и влажными почвами мощности и крутящего момента двигателя скорее всего не хватит, а вот для взрыхления поверхностного слоя и удаления оставшихся в земле корней бурьянов культиватора из бензопилы будет достаточно. Главной деталью устройства является вращающаяся фреза, за счет которой и происходит передвижение техники по участку.

Чертеж снегоуборщика выполненного своими руками с применением бензопилы
Если в культиваторе заменить вал с лемехами на шнек, а также оснастить конструкцию заборным устройством и трубой для откидывания снега, культиватор превращается в снегоуборочную машину. Мотора от любой пилы мощностью 3-5 лошадиных сил будет более чем достаточно для уборки рыхлого снега на участке
Важно только выполнить удобный шнековый механизм. Для этого чаще всего применяются лопасти, изготовленные из толстой резины
В качестве заборного устройства подойдут детали из оцинкованной стали. Выброс снега легко осуществить, установив пластмассовую трубу большого диаметра.
Бурить лед или промерзшую землю ручным инструментом – довольно долгое и физически сложное занятие. Создание мотобура своими руками значительно упростит выполнение этой задачи. В этом случае, помимо мотора, необходимо иметь редуктор, регулирующий количество оборотов в минуту, потому как такого сильного вращения, как у бензопилы, устройству не требуется.
Для создания мото- или ледобура своими руками, первое, что потребуется сделать, – выполнить надежный корпус, представляющий собой усеченную пирамиду, состоящую из двух прямоугольников различных размеров. Понадобятся болгарка, сварочный аппарат и металлические трубы. Именно внутри этой рамы и будет устанавливаться редуктор, соответственно, габариты корпуса напрямую будут зависеть от размеров редуктора.

Буроям из бензопилы станет незаменимым помощников в хозяйстве
Для надежности специалисты рекомендуют в качестве шнека взять деталь от хорошего мотобура, выполненную из прочной стали, потому как низкокачественный материал не выдержит больших нагрузок. Другой важный вопрос – надежное крепление бура, которое можно осуществить при помощи обыкновенной трубы, зафиксированной с двух сторон шпонками или шпильками. Такой способ крепления позволит менять буры или использовать другие приспособления для работы.
Принцип сборки
Первое, чему уделяется внимание – это конструкция рамы, которая изготавливается из трубы и на которой впоследствии будет размещаться силовой агрегат. Потом устанавливается бачок, фара и колеса
Если вы используете старые детали, то предварительно их необходимо зачистить от ржавчины. Особенно это касается швов. После того, как начальная стадия окончена, рама покрывается несколькими слоями краски. Обязательно хорошенько просушивайте каждый слой, чтобы избежать возникновения коррозии. В качестве рекомендации, использовать лучше всего краску в баллончиках, чтобы не было подтеков. Покрасить можно не только раму, но и колеса, предварительно заклеив обода малярным скотчем.
После того, как все детали высохнут, можно приступать к установке двигателя от бензопилы. Проследите, чтоб мотор был хорошо установлен и закреплен. Без системы охлаждения такой веломоторчик через 30 минут эксплуатации перегреется, поэтому желательно сделать систему водяного охлаждения. Самодельное приспособление выглядит следующим образом. К пластиковому бутылю подсоединяются 2 гибкие трубки. Одна крепится в верхней части для поступления воздуха, другая в нижней и через нее с помощью капельной системы вода поступает на головку цилиндра мотора. Получается незамысловатый самодельный капельный полив и эффективное охлаждение.
В качестве дополнительного комфорта для водителя можно установить крылья, потому как комья грязи и воды могут попасть на двигатель. Получившийся агрегат способен развивать скорость до 60 км/ч.
Ниже представлен приблизительный чертеж, который можно применить для осуществления переделки велосипеда в мопед.
Вертолет
Такая самоделка относится к сложным и поэтому в жизнь на сегодня не воплощена. Она — в мечтах энтузиастов, в придуманных историях. Одна из них утверждает, что еще в СССР заключенный, разбирающийся в механике, сделал вертолет с двигателем от бензопилы и смог убежать из колонии.
Изготовление самодельного вертолета требует, в отличие от снегохода, лодочного мотора, велосипеда, болгарки и даже снегоуборщика, более сложных инженерных расчетов. Они же показывают, что один, даже мощный, двигатель не способен поднять в воздух такой летательный аппарат. Требуется как минимум 4 мотора, причем форсированных и работающих согласованно на максимально возможных оборотах. А реализовать это с двигателями от бензопил на практике затруднительно.
Машина
Из бензопил можно сделать разные варианты машин. Один из них — карт багги, который отличается наличием в конструкции подвески. Она делает комфортнее езду машины по бездорожью.
Процесс создания такой самодельной машины сложный. Особенно это касается рамы, которую сваривают из металлических или профильных труб по заранее составленным чертежам. Затем занимаются изготовлением подвески, деталей рулевого управления.
Операции по изготовлению багги включают:
- сборку подвески;
- установку руля, тяг и пускача;
- крепление колес;
- размещение тормоза;
- установку кресла водителя;
- крепление на раму двигателя.
Передать вращение от мотора на колеса можно цепью или ремнем. В первом варианте устанавливают звездочки, во втором — шкивы. Двигатель, чтобы уменьшить шум, снабжают глушителем.
Культиватор
Приспособление упрощает обработку огорода, грядок. Если они небольшой площади, у изготовленного культиватора из бензопилы своими руками есть преимущество перед фирменными изделиями — он позволит сэкономить деньги на покупке.
Делать самодельный культиватор из бензопилы начинают с рамы. Изготавливают ее в виде куба, используя уголки 32х32. На поперечные верхние уголки крепят двигатель, который должен обладать мощностью не меньше 4 л. с. Ниже его устанавливают на кронштейнах бак для топлива. Передние вертикальные стойки снабжают опорами для промежуточного вала, которые присоединяют к продольным уголкам.
Такое размещение узлов и элементов позволяет получить центр тяжести мотоблока над опорной поверхностью колеса. При необходимости его корректировки используют металлический груз, который размещают в передней части рамы.
Для ручного управления устанавливают перекладины, применяя трубы диаметром 30 мм. Для колес у мотокультиватора из бензопилы используют обрезиненные катки, а для вращения промежуточного вала — цепную передачу. Для этого на нем и выходном валу двигателя устанавливают звездочки. Их размер подбирают под необходимое передаточное отношение.
Мопед из бензопилы
На первый взгляд мопед и пила абсолютно несовместимые вещи, которые никак не могут взаимодействовать. Но это ошибочно и многочисленные умельцы доказали, что сделать мопед из бензопилы вполне реально. Но сделать мало, этот агрегат еще и ездит, а также перевозит своего владельца. Скорость, конечно, развивается не очень большая, но все равно лучше, чем идти пешком. За основу конструкции можно взять велосипед или сделать все полностью самостоятельно. Веломоторчик поражает своей выносливостью, но этого все и ожидают от проверенных временем пил.

Старшему поколению знакомы самоходные конструкции в виде велосипеда с моторчиком. Эту технику сложно отнести к мопедам, но и в категорию велосипедов они уже не попадают. Своего рода «среднее звено». Существенным достоинством такого агрегата является низкое потребление топлива и возможность ездить без прав. На дорогах общественного значения на нем кататься нельзя, но по сельским улочкам и проулкам передвигаться можно.
Изменениям подверглась рама, которая была удлинена под велосипедные или другие колеса, в зависимости от того, что есть в наличии. Также прикреплен топливный бачок, установлено сидение от мотоцикла и для езды в вечернее время прикреплена фара. В качестве охлаждения веломоторчика разработана водяная система. Это была сделано для того, чтобы двигатель быстро не перегревался и не падала мощность.
Принцип сборки
Первое, чему уделяется внимание – это конструкция рамы, которая изготавливается из трубы и на которой впоследствии будет размещаться силовой агрегат. Потом устанавливается бачок, фара и колеса. Если вы используете старые детали, то предварительно их необходимо зачистить от ржавчины
Особенно это касается швов. После того, как начальная стадия окончена, рама покрывается несколькими слоями краски. Обязательно хорошенько просушивайте каждый слой, чтобы избежать возникновения коррозии. В качестве рекомендации, использовать лучше всего краску в баллончиках, чтобы не было подтеков. Покрасить можно не только раму, но и колеса, предварительно заклеив обода малярным скотчем
Если вы используете старые детали, то предварительно их необходимо зачистить от ржавчины. Особенно это касается швов. После того, как начальная стадия окончена, рама покрывается несколькими слоями краски. Обязательно хорошенько просушивайте каждый слой, чтобы избежать возникновения коррозии. В качестве рекомендации, использовать лучше всего краску в баллончиках, чтобы не было подтеков. Покрасить можно не только раму, но и колеса, предварительно заклеив обода малярным скотчем.

После того, как все детали высохнут, можно приступать к установке двигателя от бензопилы. Проследите, чтоб мотор был хорошо установлен и закреплен. Без системы охлаждения такой веломоторчик через 30 минут эксплуатации перегреется, поэтому желательно сделать систему водяного охлаждения. Самодельное приспособление выглядит следующим образом. К пластиковому бутылю подсоединяются 2 гибкие трубки. Одна крепится в верхней части для поступления воздуха, другая в нижней и через нее с помощью капельной системы вода поступает на головку цилиндра мотора. Получается незамысловатый самодельный капельный полив и эффективное охлаждение.
В качестве дополнительного комфорта для водителя можно установить крылья, потому как комья грязи и воды могут попасть на двигатель. Получившийся агрегат способен развивать скорость до 60 км/ч.
Ниже представлен приблизительный чертеж, который можно применить для осуществления переделки велосипеда в мопед.

Мопед из бензопилы
На первый взгляд мопед и пила абсолютно несовместимые вещи, которые никак не могут взаимодействовать. Но это ошибочно и многочисленные умельцы доказали, что сделать мопед из бензопилы вполне реально. Но сделать мало, этот агрегат еще и ездит, а также перевозит своего владельца. Скорость, конечно, развивается не очень большая, но все равно лучше, чем идти пешком. За основу конструкции можно взять велосипед или сделать все полностью самостоятельно. Веломоторчик поражает своей выносливостью, но этого все и ожидают от проверенных временем пил.

Старшему поколению знакомы самоходные конструкции в виде велосипеда с моторчиком. Эту технику сложно отнести к мопедам, но и в категорию велосипедов они уже не попадают. Своего рода «среднее звено». Существенным достоинством такого агрегата является низкое потребление топлива и возможность ездить без прав. На дорогах общественного значения на нем кататься нельзя, но по сельским улочкам и проулкам передвигаться можно.
Изменениям подверглась рама, которая была удлинена под велосипедные или другие колеса, в зависимости от того, что есть в наличии. Также прикреплен топливный бачок, установлено сидение от мотоцикла и для езды в вечернее время прикреплена фара. В качестве охлаждения веломоторчика разработана водяная система. Это была сделано для того, чтобы двигатель быстро не перегревался и не падала мощность.
Какие нужны детали?
Для того, чтобы собрать конструкцию мотовелосипеда понадобятся следующие материалы:
- мотор от бензопилы
- колеса от велосипеда 2 шт.
- бачок, осветительная фара, сидение от мотоцикла или другого подходящего агрегата
- баллончики с краской 4 шт. и малярный скотч
- металлическая труба 16-20 мм.
- трос
- цепь
- велосипедные звезды
- передняя и задняя велосипедные вилки
- ось
- шланг
- пластиковый бутыль
- капельница
- руль
- ручка газа
Надо отметить, что на современном рынке имеются уже готовые комплекты, включающие в себя все необходимые детали для осуществления самоделки. Но тут вопрос в цене. Если есть желание сэкономить и использовать ненужные детали, завалявшиеся в сарае, то придется постараться самостоятельно.
Мопед из бензопилы
На первый взгляд мопед и пила абсолютно несовместимые вещи, которые никак не могут взаимодействовать. Но это ошибочно и многочисленные умельцы доказали, что сделать мопед из бензопилы вполне реально. Но сделать мало, этот агрегат еще и ездит, а также перевозит своего владельца. Скорость, конечно, развивается не очень большая, но все равно лучше, чем идти пешком. За основу конструкции можно взять велосипед или сделать все полностью самостоятельно. Веломоторчик поражает своей выносливостью, но этого все и ожидают от проверенных временем пил.
Старшему поколению знакомы самоходные конструкции в виде велосипеда с моторчиком. Эту технику сложно отнести к мопедам, но и в категорию велосипедов они уже не попадают. Своего рода «среднее звено». Существенным достоинством такого агрегата является низкое потребление топлива и возможность ездить без прав. На дорогах общественного значения на нем кататься нельзя, но по сельским улочкам и проулкам передвигаться можно.
Изменениям подверглась рама, которая была удлинена под велосипедные или другие колеса, в зависимости от того, что есть в наличии. Также прикреплен топливный бачок, установлено сидение от мотоцикла и для езды в вечернее время прикреплена фара. В качестве охлаждения веломоторчика разработана водяная система. Это была сделано для того, чтобы двигатель быстро не перегревался и не падала мощность.
Рациональность изготовления самоделок
Рациональность – понятие относительное. Если человек славится своими прямыми руками и понимает, что для изготовления по-настоящему удобной пилорамы из бензопилы Урал придется потрудиться, то подобного рода строительный процесс вполне разумен. А если человек рассчитывает на собранном из подручных средств мотоблоке с мощностью двигателя в 3 лошадиные силы перепахать огромные площади, то ни о какой рациональности и речи быть не может.

Самостоятельная переделка бензопилы Урал в другое полезное в быту приспособление или полноценное транспортное средство без базовых знаний конструирования и понимания специфики работы основных узлов попросту бессмысленна. Это обязательно следует учитывать прежде, чем взяться за процесс переделки бензопилы Урал в какое-либо другое самодельное устройство.
Какая пила подойдет для использования?
Самыми оптимальными для переделки бензиновыми пилами являются «Дружба», «Урал», «Штиль» и подобные модели с большим запасом мощности
Именно на этот параметр следует обратить внимание для осуществления переделки велосипеда в мопед. Очень хорошо поддаются переделке некоторые немецкие бензопилы с большими мощностями
Аппарат следует выбирать с мощностью не менее 2 л.с. и объемом двигателя не более 50 см3. Веломоторчики из таких агрегатов получаются самые выносливые.
Для того, чтобы сделать мотовелосипед не обязательно иметь специальное техническое образование, но разбираться в схемах и чертежах, а также иметь навыки ремонта садовой техники желательно. Не будут лишними и навыки работы со сварочным аппаратом.
Картинг из бензопилы – особенности сборки
Чтобы собрать эту самоделку, потребуется снять с используемой в хозяйстве бензопилы рукоятки, топливный бак, режущие органы, зубчатую рейку и встроенный тросик, соединяющий ручку газа и двигатель.
В дальнейшем оператору предстоит:
- Переделать штатную звездочку бензопилы. Для этого необходимо аккуратно сточить все ее зубья до произвольных размеров, так как внешний диаметр детали большой роли не играет. К полученной заготовке потребуется приварить предварительно сточенную минскую звездочку;
- Организовать место для крепления силового агрегата на подрамник. Для этого в кожухе охлаждения необходимо просверлить 2 небольших отверстия, диаметр каждого из которых должен составлять примерно 8 мм. Их нужно рассверлить в штатных отверстиях, изначальным диаметром по 6 мм каждое;
- Собрать крепкий и максимально стойкий к вибрации подрамник. Для его конструирования подойдет листовая 3-миллиметровая сталь, к которой нужно приварить 2 уголка с размерами 35×35 мм. В уголках нужно заранее просверлить отверстия с точным диаметром 8,5 мм – они потребуются для неподвижной фиксации силового агрегата от бензопилы. В противоположной части стальной пластины необходимо вертикально приварить металлический уголок с размерами 35×35 мм – он будет необходим для установки используемого редуктора. Кроме того, на пластине потребуется установить гайку типа М 10×1,5 мм для возможности натяжения цепи;
- Для установки редуктора его потребуется перевернуть другой стороной;
- Приварить направляющие к обратной стороне стальной пластины. Их можно заранее сделать из половинок металлических труб размерами 30×2 мм;
- Установить стальную пластину с приваренными к ней деталями на шасси, взятое от старого картинга АКУ 89;
- Оборудовать самоделку из бензопилы сиденьем, рулевым колесом и тормозной системой. Если в процессе сборки окажется, что глушитель от ДВС направлен на водителя, то его потребуется сместить в сторону, или удлинить при помощи куска металлической трубы.
Мотосамокат из бензопилы своими руками
Не менее известная самоделка, которую научились изготавливать отечественные «Кулибины». Для ее воссоздания нам понадобятся:
- самокат, рассчитанный на вес того человека, который будет им управлять. Желательно, чтобы он изначально имел систему ручного торможения. Пневматическая колесная база самоката должна быть прочной;
- бензопила, с которой снимается двигатель – подойдут средне- и высокомощные модели.
Процесс сборки самоката выглядит упрощенно по сравнению с предыдущими самоделками:
- для начала снимаем двигательную основу и закрепляем ее в задней части рамы самоката. Соблюдаем, чтобы моторные и колесные звездочки совпадали;
- прилаживаем ручной акселератор с зажиганием мотопилы – так оператор сможет контролировать процесс перемещения;
- при необходимости оснащают самокат педалью тормоза, но в большинстве случаев – рычага для ручного управления самоката хватает для его полноценной работы.
- тестирование самоката из бензопилы – в случае исправности новое моторизированное устройство готово и может эксплуатироваться.
Средства передвижения из бензопилы – в чем плюсы и есть ли минусы?
При самостоятельной сборке 2- или 4-колесных транспортных средств на базе хозяйственной бензопилы, изготовитель получает несколько достаточно важных преимуществ:
- изготовление агрегата дает возможность сэкономить деньги. Конечно, во время сборки придется потратиться на отдельные детали или целые рабочие узлы. Тем не менее эти траты несравнимы с покупкой фирменной техники;
- сборка транспортных средств своими руками позволит получить надежный и достаточно проходимый агрегат, не требующий частого специального обслуживания или сложного ремонта;
- при изготовлении средств передвижения конструктор может создать любую из выбранных модификаций: картинг, квадроцикл, мопед или самокат из бензопилы .
Единственный своего рода недостаток – это необходимость наличия навыков в эксплуатации болгарки, дрели, сварочного аппарата и других видов гаражного оборудования. В противном случае собрать мопед или другой вид техники не получится.
Самокат
Для усовершенствования лучше подходит самокат, у которого есть надувные колеса и присутствует ручной тормоз. Первое позволяет ему передвигаться по неровностям, второе — обеспечивает высокую тормозную способность.

Выполняют работы в такой последовательности:
- У бензопилы удаляют цепь, шину.
- Откручивают от коленвала центробежную муфту.
- Крепят к выходному валу двигателя и оси заднего колеса самоката звездочки от велосипеда.
- Размещают мотор сзади на платформе самоката. Соединяют их между собой болтами. Обе звездочки должны находиться в одной плоскости.
- Надевают на звездочки велосипедную цепь, подгоняют ее, удаляя лишние звенья.
- Присоединяют акселератор к одной из ручек самоката. Соединяют его с проводами, которые включают/выключают мотор. Вместо акселератора можно установить небольшую педаль.
Особенности конструкции снегохода и аэросаней
Снегоход из бензопилы считается одним из самых сложных самодельных приборов, потому как для его изготовления потребуется большое количество дополнительных деталей, среди которых:
- рама;
- корпус;
- гусеницы и передние лыжи;
- руль;
- управление, состоящее из ручки и сцепления.
Статья по теме:
Есть и другая сложность. Чтобы снегоход перемещался, его требуется оборудовать подвеской и трансмиссией, поэтому новичку с такой работой будет справиться непросто.
Создание снегохода из бензопилы своими руками начинают с несущей рамы, представляющей собой стальной профиль размером 20х20 или 20х30 см. За амортизацию задней подвески отвечает качающий рычаг, а за переднюю – рулевая вилка мотоциклетного типа.

Для изготовления снегохода из бензопилы потребуется приобрести много дополнительных деталей
Дополнительно снегокат с мотором своими руками дополняется центробежным сцеплением с клиновидным ремнем и цепью. Для усиления тяговой силы на вал гусеницы крепится шестеренка, диаметр которой превышает приводную деталь вала бензопилы. Для нормальной эксплуатации самодельного устройства требуется брать мотор, имеющий мощность не менее десяти лошадиных сил.
Более простым вариантом являются аэросани, которые имеют похожий способ использования, но представляют собой движущийся по снегу винтомоторный самолет. Ввиду упрощенной конструкции сани не отличаются большой грузоподъемностью, проходимостью и устойчивостью. Основные преимущества – простая конструкция и легкость изготовления. Вращающийся винт, установленный за спиной водителя, требуется закрыть при помощи защитного кожуха, выполненного из мелкоячеистой сетки. Управление осуществляется посредством поворота лыж, газового рычага и тормоза. Оптимальной мощностью мотора считается 5-6 лошадиных сил.





































