Обзор комплекта и принцип работы
При установке такого приспособления бензопила получает сразу две дополнительные функции – бензореза и угловой шлифовальной машины. Это оказывается необходимым в условиях, когда непосредственное подключение обычной УШМ к источнику электрического напряжения затруднительно, а то и невозможно.
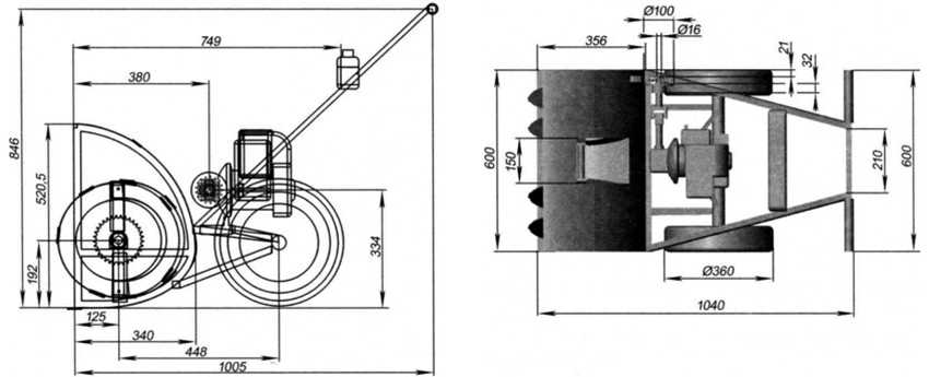
На приводной вал ведущей звёздочки бензопилы устанавливается шкив, который при помощи ременной передачи кинематически соединяется с осью пильного диска, скорость вращения основного вала при этом не изменяется. Для установки самой насадки используются шпильки, которыми крепится пильная шина бензопилы. В промышленных конструкциях рассматриваемых насадок имеются отверстия, размер и расположение которых согласовывается с параметрами бензопилы конкретного производителя. От типоразмеров пилы зависит также и наибольший диаметр пильного диска, который может быть установлен.
Насадка-болгарка на бензопилу включает в себя:
- Радиальный шарикоподшипник в пылезащитном корпусе.
- Ведомый шкив.
- Клиновой ремень.
- Оправку, к которой крепится отрезной круг (рекомендуется не более 150×22 мм).
- Ключа для затягивания диска и двух шпилек.
Насадка для бензопилы-болгарка оборудована специальным крепёжным пазом, при помощи которого выполняется её присоединение к основному инструменту. Используется планшайба и гайка с левой резьбой.
Наличие насадки позволяет использовать бензопилу для резки камня, стали, строительных блоков и иных предметов, размеры которых позволяют применять диск с определённым значением диаметра. Диаметр, в свою очередь, зависит от марки бензопилы. Лучше всего для указанных целей подходят пилы Штиль модельного ряда от Штиль-180 до Штиль-250. Объясняется это особенностями включения бензопил Штиль: вначале, при включении центробежной муфты число оборотов коленчатого вала составляет около 4500 мин-1: именно при такой угловой скорости шпиндель работает наиболее устойчиво. Затем скорость можно увеличить до 7000…8000 мин-1.
Производитель насадок-болгарок на бензопилы рекомендует использовать не более 75% паспортной мощности основного инструмента, не работать без предохранительного кожуха, и не применять для отрезных и шлифовальных работ круги, допустимая скорость вращения которых – менее 10000 мин-1. Наличие роликоподшипника, допускающего значительные осевые нагрузки, исключает перекос пильного диска и заклинивание насадки при длительных работах.
Это интересно: Как сделать лодочный мотор из бензопилы своими руками?
Почему стоит выбрать бензопилу
Еще одним преимуществом этого инструмента выступает возможность использования агрегата в любом месте, ведь он работает в автономном режиме. Конструкция имеет удачное исполнение, а ее поломки почти исключаются. Если же у вас есть бензопила, но она простаивает без дела, вы можете ознакомиться со способами ее эксплуатации, используя специальные насадки. Бензопила таким образом становится инструментом с поистине феноменальными возможностями. Посредством приспособлений вы можете бурить грунт, вырабатывать электроэнергию, плавать, обрабатывать почву, ездить и даже летать.
Обзор комплекта и принцип работы
Устанавливая такое устройство, бензопила получает сходу две дополнительные функции. газовый резак и угловая шлифовальная машина. Это оказывается нужным в критериях, когда впрямую подключить обыденную угловую шлифовальную машину к источнику электронного напряжения тяжело, если не нереально.
На приводном валу зубчатого колеса приводной цепной пилы установлен шкив, который с помощью ременного привода кинематически соединен с осью пилы, при этом скорость вращения основного вала не изменяется. Для установления самой насадки употребляются шпильки, которые закрепляют пристальное ленту бензопилы. В промышленных конструкциях рассмотренных форсунок имеются отверстия, размер и размещение которых соответствует характеристикам бензопилы определенного производителя. Размер пилы определяет также больший поперечник пилы, который можно установить.
Насадка к шлифовальной машины до бензопилы включает:
- Шариковый подшипник с глубочайшим канавкой с пылевым покрытием.
- ведомый шкив.
- клиновой ремень.
- Оправка, к которой крепится отрезное колесо (рекомендуется менее 100 50 × 20 два мм).
- Дисковый гаечный ключ и две шпильки.
Насадка для болгарской бензопилы оснащена специальной крепежной канавкой, с помощью которой она крепится к основному инструмента. Используется лицевая планка и гайка с левой нитью.
Наличие насадки позволяет использовать бензопилу для резки камня, стали, строй блоков и других предметов, размеры которых позволяют использовать диск с определенным значением поперечника. Поперечник, в свою очередь, находится в зависимости от марки бензопилы. Для этих целей идеальнее всего подходят пилы Stihl из спектра Stihl-180 к Stihl-250. Это разъясняется особенностями включения бензопил Stihl: поначалу при включении центробежной муфты количество оборотов коленчатого вала составляет около четыре тыщи 500 мин 1: конкретно при этой угловой скорости шпинделя работает более размеренно. Тогда скорость можно прирастить до 7000. Восемь тыщ мин. 1.
READ Как Болгаркой Резать Плитку
Производитель угловых шлифовальных станков для бензопил рекомендует использовать не более 75% от номинальной мощности основного инструмента, не работать без защитного кожуха и не использовать колеса для работ по резке и шлифовки, допустимая скорость вращения которых меньше десять 000 минут. Наличие роликового подшипника, который позволяет производить значимые осевые нагрузки, исключает перекос пилы и заклинивания насадки при долговременной работе.
Рекомендации по продлению службы
Чтобы не допускать ситуаций с ремонтом, лучше всего постараться их предотвратить. Для этого следует ориентироваться на такие рекомендации.
- Чтобы продлить срок службы полуавтоматической катушки, её следует почаще вытягивать вручную. Стараться не ударять деталь о землю.
- Нельзя работать бытовой косой продолжительное время. У электрической этот момент будет заметен по нагретому кожуху. Но в первое время нельзя перегружать мотор и у бензинового аналога. Диск стоит ставить только после расходования одного объема бака.
- Несвоевременная прочистка может привести к избытку влаги (страдает электромотор) или засорению (теряет мощность бензиновый вариант).
Если подойти к технике с бережным отношением, она прослужит намного дольше. А заметив признаки износа деталей, достаточно вовремя поменять их, что предотвратит более серьезную поломку.
Особенности эксплуатации самодельного кородера
Чтобы самоделка прослужила как можно дольше, ее нужно правильно использовать и обслуживать.
Для этого оператору необходимо:
- постоянно следить за количеством и состоянием смазки внутри муфты сцепления – без нее кородер будет регулярно перегреваться;
- своевременно чистить рабочий орган насадки от опилок и частиц коры;
- при образовании трещин и заусенцев на поверхности цилиндрической головки, ее внешнюю поверхность необходимо тщательно шлифовать.
Хранить самодельный кородер лучше всего на полке в теплом сухом помещении. Это обеспечит защиту приспособления от ржавчины и воздействия химических веществ.
Характеристики насадки «лодочный мотор»
Насадка на бензопилу «лодочный мотор» может использоваться совместно с лодками разного назначения. Судна могут быть туристическими, транспортными или хозяйственными. Бензопилу совместно с этой насадкой вы сможете использовать для разных целей, а именно для:
- прогулок по водоему;
- охоты;
- рыбалки;
- перевозки людей и грузов.
Мощности основного инструмента хватит, чтобы развивать на воде скорость до 20 км/ч. Конечное значение будет зависеть от направления ветра, типа лодки, течения и нагруженности. В лодку могут сесть два человека и более. Судно с этой насадкой имеет превосходную маневренность.
Мотор бензопилы не замерзнет, так как имеет воздушное, а не жидкостное охлаждение. Расход топлива бензопилы будет зависеть от рабочего объема двигателя, технического состояния, длительности и полноты нагрузки. За час вы истратите максимум 1 л. Оптимальная мощность составляет 2 л. с. Передаточное отношение редуктора равно 2 к 1. Число лопастей винта равно 2. Вес насадки не превышает 8 кг. Диаметр винта составляет 150 мм.
Мотокультиватор, снегоуборщик, ледобур и буроям своими руками
Мотор из бензопилы отлично подойдет и для создания мотокультиватора, предназначенного для вспашки целины (для легких грунтов). Для работы с плотными и влажными почвами мощности и крутящего момента двигателя скорее всего не хватит, а вот для взрыхления поверхностного слоя и удаления оставшихся в земле корней бурьянов культиватора из бензопилы будет достаточно. Главной деталью устройства является вращающаяся фреза, за счет которой и происходит передвижение техники по участку.
Чертеж снегоуборщика выполненного своими руками с применением бензопилы.
Если в культиваторе заменить вал с лемехами на шнек, а также оснастить конструкцию заборным устройством и трубой для откидывания снега, культиватор превращается в снегоуборочную машину. Мотора от любой пилы мощностью 3-5 лошадиных сил будет более чем достаточно для уборки рыхлого снега на участке
Важно только выполнить удобный шнековый механизм. Для этого чаще всего применяются лопасти, изготовленные из толстой резины. В качестве заборного устройства подойдут детали из оцинкованной стали
Выброс снега легко осуществить, установив пластмассовую трубу большого диаметра
В качестве заборного устройства подойдут детали из оцинкованной стали. Выброс снега легко осуществить, установив пластмассовую трубу большого диаметра.
Бурить лед или промерзшую землю ручным инструментом – довольно долгое и физически сложное занятие. Создание мотобура своими руками значительно упростит выполнение этой задачи. В этом случае, помимо мотора, необходимо иметь редуктор, регулирующий количество оборотов в минуту, потому как такого сильного вращения, как у бензопилы, устройству не требуется.
На заметку! Если не имеется достаточного количества знаний относительно работы редуктора, можно обратиться за помощью к инженеру, который поможет правильно выбрать нужный механизм. Необходимый тип прибора подбирается в зависимости от характеристик мотора.
Для создания мото- или ледобура своими руками, первое, что потребуется сделать, – выполнить надежный корпус, представляющий собой усеченную пирамиду, состоящую из двух прямоугольников различных размеров. Понадобятся болгарка, сварочный аппарат и металлические трубы. Именно внутри этой рамы и будет устанавливаться редуктор, соответственно, габариты корпуса напрямую будут зависеть от размеров редуктора.
Буроям из бензопилы станет незаменимым помощников в хозяйстве.
Для надежности специалисты рекомендуют в качестве шнека взять деталь от хорошего мотобура, выполненную из прочной стали, потому как низкокачественный материал не выдержит больших нагрузок. Другой важный вопрос – надежное крепление бура, которое можно осуществить при помощи обыкновенной трубы, зафиксированной с двух сторон шпонками или шпильками. Такой способ крепления позволит менять буры или использовать другие приспособления для работы.
Механизированный рубанок из обычной бензопилы
Эта насадка может пригодиться при возведении сруба для жилого дома или бани. Не секрет, что брёвна с корой стоят дешевле, а значит, экономия здесь будет явной. Пара нехитрых движений ─ и обычная бензопила уже превращается в кородёр.
ФОТО: YouTube.comВот такое приспособление получается после установки насадки
Единственным недостатком пользователи называют быстрый износ цепи. Однако на обустройство одного сруба для жилого дома её вполне хватит. И всё же лучше, если домашний мастер будет использовать старые цепи, которые уже не жалко. Также устройство позволит заточить колья или обработать брус, придав ему гладкость.
ФОТО: YouTube.comВот так работает рубанок, сделанный из бензопилы
Насос — откачиваем воду из подвала или погреба
Если затопило погреб или подвал, то для выкачивания воды не нужно приобретать специальные насосы, ведь для этого есть насадка помпа на бензопилу. Это простое устройство, которое устанавливается на инструмент достаточно быстро. После того, как приставка будет подсоединена, останется только к ней подключить две шланги — подающую и для отвода воды.
Производительность помпы зависит от размеров крыльчатки, поэтому если планируется выполнять большие объемы работ, то нужно покупать соответствующую насадку. Главным достоинством приставки является ее мобильность, так как, подключив ее к агрегату, можно проводить работы вдали от электричества. При наличии навыков работы со сварочными аппаратами, помпу под бензопилу можно соорудить своими руками, но цена на нее не такая большая, чтобы отказаться от покупки.
Это интересно! Конструкция помпы заводского производства сделана из пластика, что положительно влияет на ее цену.
Описание и предназначение мотобуров
Планируя изготовить самодельный мотобур для рыбалки или земельных работ, целесообразно прежде всего изучить особенности подобного рода агрегатов. Самодельный мотобур обладает широкими функциональными возможностями и высокой эффективностью, что сделало его незаменимым инструментом. Он применяется в:
- строительной сфере;
- сельском хозяйстве;
- работах коммунальных служб;
- процессе исследовательских манипуляций.
Мотобур используется в различных видах деятельности Агрегат относится к категории ручных инструментов и по праву считается универсальным. Он подходит для сверления в грунте различных отверстий, которые могут быть использованы для посадки растений, установки фундаментных свай, опор и других элементов. Кроме того ледобур из триммера своими руками представляется незаменимым приспособлением, используемым для рыбалки в зимний сезон — он применяется для сверления лунок во льду.
Конструкция устройства крайне проста и состоит из двух основных элементов — двигателя и шнека с ножом на конце. В процессе работы двигатель передает вращающие движения буру, благодаря чему шнек успешно входит в грунт.
Поскольку стоимость магазинных моделей довольно велика, значительно дешевле изготовить самодельный бензобур для зимней рыбалки из подручных материалов.
Достоинства насадок
Применение насадок даёт хозяину автономный инструмент, не зависящий от наличия или отсутствия электроэнергии. Владелец пилы с насадкой экономит средства, не тратя их на покупку нового инструмента с приводом. К тому же пила с комплектом насадок занимает меньше места, чем подобный набор отдельных инструментов.
Ориентируясь на работу с насадками, нужно понимать, что конструкция и эргономика пилы ориентированы именно на пильные работы. И к тому же гарантийные мастерские могут отказать в гарантийном ремонте, если определят, что пила использовалась не по назначению. Если же насадки произведены основным производителем пилы, то будет обеспечена полная совместимость и сняты все юридические ограничения по применению.
При покупке насадок от других фирм нужно проверять правильность геометрии режущего инструмента, качество его изготовления, плотность соединений, отсутствие люфтов, следов коррозии. Желательно при покупке проверять совместимость насадки в рабочем режиме.
ФОТО: tehno-gid.netБензопила
Но работы с бензопилой следует проводить всегда только на открытом воздухе, чтобы не отравиться выхлопными газами от двигателя.
Виды насадок
Ваша пила по сей день пылиться без дела? Прочитав эту статью. Вы узнаете множество способов использовать ее не только по прямому назначению. Вашему вниманию предаставленно множество насадок на любые марки бензопил.
- Насадка, которая служит для продольного распила древесины в горизонтальной плоскости, дает возможность нарезать бревна на равные части. Жесткость устройства обеспечивает рамной конструкцией.
- Насадка на бензопилу для продольного распила древесины в вертикальной плоскости – это самая простая насадка-адаптер. Не всегда обеспечивает точность распила.
Бензорез
- Бензорез – позволяет распиливать металлы и камень.
- «Дебаркер» – служит для очистки бревен от наростов и коры (барабанный тип насадки) и для вырезки чашек, углублений и пазов (дисковый тип насадки).
- «Лебедка» – насадка, которая поможет вытащить лодку, забуксовавший транспорт, перетащить строительные материалы. Имеет дополнительный блок, служащий для увеличения тяговой силы и смены траектории движения.
- «Водяная помпа» – насадка, которая являет собой центробежный насос мощностью приблизительно пять литров в час. Используется для откачки воды из погребов, полива участка.
- «Мотобур» – предназначен для сверления проруби при подледной рыбалке и создании ям в земле (глубина до 35 см).
- Насадка лодочный мотор на бензопилу предназначена для лодок, которые имеют высоту транца не выше 38 сантиметров.
- «Бензорез» – насадка, предназначенная для превращения в бензопилы в бензорез.
- «Мини-пилорама» – насадка, предназначенная для различного вида распилов древесины. Также, как и насадка рубанок, незаменима для небольших лесозаготовительных производств. Также можно изготовить пилораму своими руками.
Насадка «Кородер»
Кородер для бензопилы используются преимущественно в целях удаления наростов и коры на стволе дерева. Данные насадки для бензопилы помогают быстро вырезать чашки и пазы нужных размеров.
Среди преимуществ этой насадки для бензопилы специалисты выделяют простоту в монтаже и применении. С установкой изделия своими руками справиться даже новичок.
Принцип переделки болгарки в цепную пилу
Любое самодельное оборудование зависит от качества исходных материалов. Сколько раз в вашей жизни было такое, что вы запланировали некоторые работы, но не смогли их провести из-за нехватки подходящего оборудования? В таких моментах можно обратиться к подручным средствам и своими руками собрать нужный инструмент на основе другого.

Если коротко описать процесс переделывания болгарки или угловой пилы в цепную своими руками, то он будет выглядеть следующим образом: нужно срезать соединение звена и осуществить пропил посередине зубца для того, чтобы режущая кромка зубцов цепи доставала до древесины во время распиловки. Для своего комфорта вы можете также установить рукояти.
Какой фирме лучше отдать предпочтение
На отечественном рынке представлено множество моделей электрических станков для заточки пильных цепей, которые отличаются качеством исполнения, производительностью и функциональными возможностями. Основываясь на отзывах пользователей и мнении экспертов, мы составили небольшой рейтинг фирм, которые выпускают лучшие станки для заточки цепей.
- ДИОЛД. Отечественный производитель ручного и механизированного инструмента. Станки и расходные материалы, выпускаемые на заводах фирмы, отличаются качеством сборки и невысокой ценой. Кроме того, ДИОЛД имеет развитую сеть сервисных центров, осуществляющих гарантийное и постгарантийное обслуживание. Заточной станок этой марки станет оптимальным выбором для бытового обслуживания пильных цепей;
- Oregon. Североамериканский производитель цепных бензиновых пил и комплектующих к ним. Собственный конструкторский отдел и постоянный контроль качества выпускаемой продукции позволили фирме завоевать авторитет пользователей. Станки, выпускаемые под брендом Oregon, отличаются производительностью, надежностью и расширенным функционалом. Они отлично подходят для профессионального и коммерческого использования;
- Einhell. Фирма занимается производством и обслуживанием ручного и электрического инструмента. Она давно известна отечественным пользователям и пользуется большой популярностью. Станки, выпускаемые Einhell, сочетают в себе производительность, качество исполнения и стоимость товара. Поэтому они одинаково хорошо подходят как для бытового, так и для коммерческого использования.
Техника безопасности
При работе с бензопилой надо соблюдать правила техники безопасности, они позволят избежать травм и неприятных ситуаций:

- Нельзя на рабочую площадку допускать людей, особенно детей.
- При работе с дисковой пилой обязательно надевать на нее специальный защитный кожух.
- Во время процесса распиловки бревна следует пользоваться средствами защиты от опилок и шума.
- Необходимо иметь аптечку с лекарствами, чтобы обработать рану во время порезов.
- В разогретый бак бензопилы нельзя наливать бензин.
- Применять бензопилу необходимо только по назначению, запрещается включать ее на полную мощность, если она находится не в работе.
- Установка бревен осуществляется только с правой стороны.
- Во время работы с оборудованием категорически запрещено на него давить с усилием.
При соблюдении техники безопасности работа будет несложной, а в результате получиться материал высоко качества без вреда здоровью.
Бензопила является универсальным оборудованием, которое легко в применении. Его мастера могут использовать на приусадебном участке, в частном доме. Помимо получения досок, применяется для ремонтных работ хозяйственных построек и деревянных элементов декора. Большое число досок при этом не нужно, достаточно взять пару бревен.
Насадки
«Кородер» – приспособление для резки
Кородер – насадка, которая предназначена для удаления коры и наростов различного происхождения. С ее помощью можно вырезать пазы и чашки, строгать бревна. Данная насадка отличается простотой в использовании и надежностью. Установить ее можно буквально за пять минут, если следовать всем указаниям, которые прописаны в инструкции по ее эксплуатации.
Цена: от 1260 до 1650 рублей.
«Короед» – фреза для обработки дерева
Короед – так называется специальная фрезерная головка. Используется для обработки бревен, брусьев и досок. Помогает аккуратно вырезать пазы и чашки. Насадка выпускается в комплекте с ремнем и используется для бензопил, которые имеют на цепи звездочку с шестью лучами. С помощью такой насадки можно также шкурить дерево.
Цена: от 1620 рублей до 1990 рублей.
Косилка для пилы
Насадка представляет собой роторную косилку. Имеет в комплекте нож, с помощью которого скашивается трава. Чаще всего такие насадки выпускаются для бензопил марки «Stihl». Для других бензопил также можно заказать изготовление данной насадки.
Цена: от 2200 до 2550 рублей.
Для снятия коры
Насадка для снятия коры используется для того, чтобы чистить бревна от коры. С ее помощью также можно удалять сучья различных размеров, делать острыми колья, выполнять все виды работ, для которых используется топор, делать замки угловые под сруб.
Насадка для снятия коры
Монтируется на стандартном месте шины бензопилы. Корпус насадки имеет дополнительную защиту. Подходит для таких моделей бензопил, как «Stihl» MS250- MS361 и бензопила «Хускварна» H55 – H365 и Хускварна 137.
Цена: от 15000 до 18000 рублей.
Лодочный мотор
Применяется для глиссирующих и водоизмещающих лодок, высота транца которых не превышает 38 сантиметров. Насадка для лодки легко и просто устанавливается.
В комплекте с ней идет руководство по эксплуатации, следуя советам которого, вы легко и быстро сможет установить насадку.
Цена: от 1200 до 2200 рублей.
Насадка для продольного пиления
Данный вид насадки представляет собой уменьшенный вариант пилорамы. Ее очень удобно использовать в «походных» условиях (см. мини бензопилы).
Может работать автономно, а это значит, что ее можно взять с собой на выездную работу по распилу древесины.
Цена: от 1799 до 2300 рублей.
«Бензорез»
Работает за счет отрезных кругов, которые имеют диаметр до 20 сантиметров и посадочным отверстием до 22 сантиметров.
Цена: от 1720 до 1850 рублей.
«Болгарка»
Позволяет использовать бензопилы в качестве болгарки. Работает посредством ременной передачи.
Цена: от 2200 до 2760 рублей.
«Лебедка»
Насадка лебедка используется для подъема на высоту и перемещения тяжелых грузов, а также для буксировки транспорта. Отличается простотой в использовании и довольно компактными размерами.
Если сочетать данную насадку с плугом или окучником, можно в разы быстрее обработать участок земли.
Цена: от 3000 до 3920 рублей.
«Кусторез»
Насадка “Кусторез”
Насадка кусторез применяется для обрезки сучьев и кустов. Подходит для ухода за растениями на дачном участке. В отличие от электрических кусторезов может работать автономно. Отличается высокой мощностью.
Цена: около 1990 рублей.
«Мотобур»
Используется для сверления ям в земле и во льду диаметром до 35-40 сантиметров. Незаменима для подледной рыбалки.
Такая насадка позволяет сэкономить на покупке мотобура.
Цена: от 2500 до 5200 рублей (в зависимости от функциональности).
Насадки и приспособления для бензопилы значительно облегчают монтажные, строительные и ремонтные работы. Без них не обойтись на даче. Установить насадки своими руками не составит труда. К каждой модели в комплекте прилагаются не только рабочие элементы, но и руководство по эксплуатации, прочитав которое вы сможете установить любую насадку за 10 минут.
Насадка на бензопилу для бурения льда – правила эксплуатации
Если у владельца садового инструмента нет времени самостоятельно собирать бур из бензопилы для земли и льда, то можно пойти более легким путем и купить уже готовую насадку. Она обладает всеми нужными креплениями для ее беспрепятственной установки на бензопилу. Кроме того, насадка изготавливается из предварительно закаленных металлов, что позволяет ей проделывать лунки в толстом слое льда или в сухом твердом грунте.
Устанавливать и использовать готовый бур достаточно просто. Для этого нужно предварительно снять пильную гарнитуру бензопилы, и вкрутить в полученное отверстие штатный шнек с лезвиями. Затем нижнюю часть бура нужно установить над местом, где необходимо проделать лунку, и завести двигатель хозяйственной бензопилы.
Чтобы насадка для хозяйственной бензопилы прослужила исправно и как можно дольше, за ней нужно правильно ухаживать. Для этого после каждой эксплуатации шнек необходимо протирать, удаляя с его поверхности и с лезвий остатки льда и почвы. Если во время работы на поверхности металлических деталей бура была обнаружена ржавчина, то ее потребуется заново покрасить.
Хранить бур нужно в чистом сухом помещении. В нем не должно быть сквозняков, высокой влажности и резких перепадов температур. В противном случае на мотобуре образуются очаги коррозии.
Насадки на бензопилу: бур, лебедка, болгарка, дровокол
Насадка болгарка — используя такую насадку, бензопилой можно легко резать металл и камень. Это очень удобное приспособление, которое сэкономит немало финансовых средств. Там где нет электричества, но очень нужно поработать болгаркой, насадка болгарка на бензопилу будет просто незаменимой.
При осуществлении выбора насадки в виде болгарки на бензопилу, очень важно подбирать её к какой-то конкретной модели бензоинструмента. Также нужно понимать, что подобного рода насадки способны создавать излишнюю нагрузку на бензопилу, поэтому с ними нужно уметь работать
Насадка лебедка — если вы часто путешествуете на своем внедорожнике или вам нужно оттащить спиленное дерево, вытащить что-либо большое и тяжелое, то насадке в виде лебедки, очень даже пригодится. Такая лебедка на бензопилу имеет достаточно большое тяговое усилие (3 тонны и выше), она может быть различной длины, от 10 метров и более.
В свою очередь, имея достаточно простую и надежную конструкцию, лебедка на бензопилу станет незаменимым помощником в дороге. Подсоединяется она вместо штатной шины бензопилы, используя для передачи крутящего момента, цепную передачу
При выборе лебедки, также очень важно придерживаться какой-то конкретной модели бензопилы. В противном случае, насадка может к ней не подойти или будет работать в половину своей эффективности
Насадки мотобур и дровокол
Насадка дровокол — просто идеальное приспособление для колки дров в домашних условиях. Используя бензопилу с насадкой дровокол, можно расколоть большие в диаметре поленья, 40 см и более. Теперь нет нужды мастерить самодельный дровокол для этих целей или покупать его в магазине. Простое, но эффективное приспособление, поможет быстро заготовить большое количество дров на зиму.
Состоит насадка дровокол для бензопилы из конусообразного штыря с мелкозаглубленной резьбой. При вращении штырь ввинчивается в полено, создавая тем самым, нагрузку внутри него, из-за которой и происходит быстрая колка дров
Осуществляя выбор насадки дровокола для бензопилы, так же, как и в предыдущих двух случаях, очень важно учитывать какую-то конкретную модель бензоинструмента
Насадка мотобур — очень популярная насадка, которая позволит превратить даже самую маломощную бензопилу в настоящий мотобур. Данная насадка станет отличным помощником при сверлении лунок во льду и отверстий под установку столбов забора
Диаметр насадки может быть разным, 35 см и более, поэтому данный параметр очень важно учитывать при выборе
Это далеко не все насадки на бензопилу, которые можно встретить на строительных рынках и в магазинах. Тем не менее, эти четыре насадки пользуются наибольшей популярностью. Ниже в статье будут рассмотрены основные критерии их выбора.
На что смотреть при выборе насадки для бензопилы
В первую очередь нужно обращать внимание на материал изготовления насадки. Самыми прочными и надежными, признаны насадки из стали, они достаточно долговечны и обладают большой износостойкостью
Не менее важный критерий, это качество исполнения насадки, отсутствия люфтов и т. д. Выбираемая насадка для бензопилы должна иметь правильную геометрию и абсолютно подходить к какой-то конкретной её модели. Поэтому прежде чем купить насадку, её нужно проверить в работе, поставить на бензопилу, и убедиться в полной совместимости с ней.
Также при выборе насадки следует учитывать её скорость вращения и нагрузку, которую она будет создавать на двигатель бензопилы. Наиболее тяжелыми для работы бензопил считаются насадки в виде лодочного мотора, буры и болгарки. Они должны быть подобраны в соответствии с мощностью двигателя бензопилы, в противном случае, мотор может быстро выйти из строя и уже без капитального ремонта не обойтись.
Тонкости установки
Прежде чем устанавливать приспособление на бензопилу, необходимо ознакомиться с правилами.
- Сначала нужно очистить бензиновое устройство.
- Нужно снять такие элементы, как боковая крышка, шина и цепь.
- Так как боковая крышка может содержать в себе накопившиеся мелкие частички древесины, необходимо использовать сжатый воздух и продуть аппарат.
- Нужно использовать небольшую верёвку с узелками, чтобы открутить свечу, приостановить ход поршня и коленчатого вала. После этого можно откручивать сцепление.
- Нужно открутить штиль. С коленчатого вала необходимо снять чашку сцепления и либо заменить её, либо вмонтировать на неё шкив.
- Сборку надо проводить в обратном направлении. Необходимо монтировать насадку-болгарку на штатную шину. Насадка устанавливается на 2 винтика крепления. Боковую крышку нужно прикрыть и затянуть её винтами.
- Шток регулировочного винтика должен совпадать с отверстием в насадке. Если он не совпадёт, нельзя будет затянуть ремень. Если всё совпало, можно натягивать ремень.


Фуганок
Не обязательно покупать специализированный станок или обращаться к специалистам, которые смогут выполнить работу за вас. При периодической работе с брусками имеет смысл приобрести данную насадку. С ее помощью можно быстро прострогать бруски. Эта установка крепится при помощи болтов на место шины. Сцепление заменяется на ведущий шкив. На него требуется надеть ремень, чтобы приводить в движение всю конструкцию, на которую устанавливают два ножа. Система достаточно простая, а эффективность работы напрямую зависит от числа оборотов бензопилы.
Производители не рекомендуют использовать эту насадку более 20 минут без перерыва, так как бензопила вынуждена работать на предельной мощности. Если не следовать этой рекомендации, то инструмент достаточно быстро сломается.
Насадка не является универсальной. Требуется менять звездочку, которая у разных производителей бензопил отличается. Поэтому требуется уточнять у продавцов, подойдет ли улучшение к конкретно взятой модели.
Бензопила в качестве бура
При помощи простой и удобной насадки можно решать массу различных задач, например, получить бур для проделывания отверстий в толще льда. Это приспособление популярно среди рыбаков и в рыбоводческих хозяйствах. Бензопилой с такой насадкой делают лунки в толще льда и пробивают отверстия для подачи воздуха в водоем. Эффективность этого приспособления не один раз подтверждена на практике.
Отличные эксплуатационные качества имеет мотобур МБ-2. Насадка приводится в действие от шкива через понижающий редуктор. Он снижает обороты вращения вала до 150 в минуту. Данная модель отличается от аналогичных буров скоростью монтажа на бензопилу. Отзывы говорят, что установка займет не более 10 минут.
Но мотобур нужен в домашнем хозяйстве не только зимой. Нередко с его помощью можно решить разные задачи на участке в любое время года. Практика показывает, что с помощью насадки для бензопилы можно пробурить в земле лунки под столбики для забора. Чтобы было удобнее работать с приспособлением, производители выпускают специальные удлинители.
Обратите внимание: специалисты не рекомендуют применять насадку для работы с тяжелыми грунтами или почвами, насыщенными камнями
Обзор насадок и их особенности: садовые ножницы, кородер и короед

Среди прочих насадок для бензопилы следует выделить садовые ножницы, с помощью которых можно подрезать декоративные кусты и живую изгородь. Рабочий орган имеет длину в 55 см, а вес насадки составляет всего лишь 2 кг. Полученный инструмент позволяет резать 2-см ветки.
Еще одной насадкой для бензопилы является кородер. Он представляет собой приспособление для удаления наростов и коры разного происхождения. С помощью такого дополнения можно вырезать чашки, пазы и строгать бревна. Насадка довольно проста в эксплуатации и очень надежна. Установить ее вы сможете за каких-то 5 минут, но при этом необходимо следовать инструкции по эксплуатации. Приобрести кородер можно за цену от 1260 руб.
Одна из самых популярных насадок для бензопилы — это короед. Это специальная фрезерная головка для обработки брусьев, бревен и досок. С помощью короеда можно вырезать чашки и пазы. Насадка реализуется в комплекте с ремнем и применяется для инструментов, которые обладают на цепи звездочкой с шестью лучами. Насадка позволяет еще и шкурить дерево. Приобрести ее можно за 1600 руб.























































