Плавильный тигель из огнетушителя.
Почему бы не превратить этот старый огнетушитель в плавильный тигель? Можно понять, что он сделан из стали, потому что, если поднести магнит, он притягивается. С алюминием такого не происходит.
Сбросив давление в баллоне, открутим верхний клапан, чтобы легко и безопасно распилить его слесарной ножовкой, на что ушло меньше минуты. Для тигеля мы будем использовать нижнюю часть, потому что это по сути стальная емкость 8 см в диаметре и 13 см высотой. Хороший размер для нашей самодельной мини плавильни.
К этому моменту гипс должен хорошо затвердеть. Выльем воду
Далее используйте щипцы или нечто подобное, чтобы осторожно притянуть одну из сторон ведра к центру Теперь, если взяться обеими руками и немного покрутить, ведро освободится и его будет легко вытащить
Мы получили удивительно гладкую поверхность, благодаря которой наши самодельная плавильная выглядит на удивление профессионально.
Отверстие для подвода воздуха.
Нам не хватает только отверстия для подвода воздуха и крышки. Давайте ими займемся. Насадка для кольцевой пилы на три с половиной сантиметра отлично подходит для этой трубки
Если установить центр насадки на верхней линии ведра, можно начать осторожно прорезать металл. Когда мы пройдем сквозь металл, нужно наклонить инструмент вниз примерно на 30 см, что легко, потому что гипс еще не полностью затвердел и режется, как масло
Теперь у нас есть отверстие, в которое отлично входит трубка воздуходувки. Она будет размещена в нескольких сантиметрах от дна.
Воздуходувка.
Теперь, если тигель не выдержит и выльет расплавленный металл, в плавильне металл остается внутри, а не польется по трубке наружу. Воздуходувку сделать очень просто. Для начала нужно взять трубку на 3 см, она будет находиться рядом с горячими углями.
Также понадобится трубка из ПВХ на 3 см. Как видите, нарезка с одного конца муфта накручивается на металлическую трубку, а адаптер с другой стороны просто накручивается на трубку из ПВХ.
Крышка.
Давайте пойдем еще дальше. Сделаем крышку, которая поможет сохранить температуру. Нужна пара U-болтов на 10 см. Поместим их вертикально в широкое ведро, наполненное половиной начального объема нашей смеси. Спустя час гипс затвердеет и его легко можно достать из ведра. И вот крышка для плавильни готова.
Отверстие для сброса давления.
Нужно сделать отверстие для сброса давления. его можно сделать до затвердевания, но можно просверлить дрелью с насадкой на 8 сантиметров. Когда отверстие будет сделано, у вас получится крышка, которая похожа на огромный пончик. Такая конструкция позволяет сбрасывать давление и плавить металл даже не снимая крышку.
Заключение.
Если развести огонь, можно увидеть,что внутри становится так жарко, что банка из под газировки плавится за секунду и тигель наполняется жидким алюминием. С такой миниплавильней мы можем расплавить алюминий у себя во дворе и отливать все, что может прийти на ум.

Лучше всего то, что когда вы не плавите лом, плавильня не занимает место и не бросается в глаза. Вы можете вставить внутрь горшок с растением и мгновенно превратить ее в часть декора. Эта превращающаяся в горшок плавильня нечто большее, чем кажется
Только сделайте вашу плавильню устойчивой, это крайне важно для техники безопасности
Кстати, вы можете попробовать применить плавильную печь как кузнечный горн или даже как барбекю, ведь в конце концов она работает на угле.

Теперь вы знаете, как из широко доступных материалов сделать мини плавильню, достаточно мощную, чтобы плавить металл за секунды и при этом достаточно приятную на вид, чтобы не приходилось ее прятать. Переведено и озвучено каналом Наука и техника.
Сырье для плавки
Если предстоит плавка алюминия в домашних условиях, из-за сложности работы с порошковым металлом его в качестве сырья не используют.
Можно приобрести алюминиевую чушку или использовать обычную алюминиевую же проволоку, которую нарезать ножницами на небольшие кусочки и для уменьшения площади контакта с воздухом плотно спрессовать пассатижами.
Если не предполагается особо высокое качество изделия, то можно в качестве сырья использовать любые бытовые предметы, консервные банки без нижнего шва или обрезки профиля.
Вторичное сырье может быть окрашено или испачкано, это не страшно, лишние составляющие отойдут в виде шлаков. Только нужно помнить, что вдыхать пары сгоревшей краски нельзя.
Чтобы из вторичного сырья получилась качественная плавка алюминия в домашних условиях, флюсы, задача которых состоит в том, чтобы связывать и выводить на поверхность расплавленного металла все примеси и загрязнения, лучше приобрести готовые. Но можно сделать самостоятельно из технических солей.
Покровный флюс готовится из 10 % криолита и по 45 % хлорида натрия и хлорида калия.
В рафинирующий флюс для получения алюминия без пористости добавляют еще 25 % от общей массы фтористого натрия.
Изготовление горна из буржуйки
По сути, эта та же буржуйка, только без колосников. Внешний вид кузнецы может быть в виде куба, параллелепипеда и цилиндра. После уборки колосников, воздух не поступает из пространства снизу, а вдувается через боковой канал, который поддается регулировке. Как результат, печь лучше прогревается. В ней дольше задерживаются газы, что тоже увеличивает жар.
Порядок изготовления следующий:
- Из трубы диаметром до 300 мм, отрезается кольцо, шириной 100 мм. Эта деталь называется воротник.
- Берется лист толщиной 4 мм и из него вырезается круг равный диаметру воротника. Это будет дверца.
- Отрезается кусок трубы для подачи воздуха. Он может быть от 76, до 102 мм.
- В него вставляется заслонка, при помощи ручки, пружины и гайки.
- Из листа 3 мм вырезается полоска шириной 30 мм и длиной равной периметру дверцы.
- Полоска облегает дверцу и обваривается.
- Сбоку, в дверце сверлится отверстие и туда приваривается труба для подачи воздуха.
- При помощи запорного устройства, дверца крепится к воротнику.
- Это узел устанавливает на топку с отступом от дна на 100 мм.
- В задней части, вверху, прорезается отверстие и устанавливается дымоход.
К недостаткам такой печи относится отсутствие зольника. Однако более продолжительное горение приводит к улучшенному сгоранию твердых отходов. Уборку золы можно проводить реже.
Простой горн на угле Горн для нагревания и плавки металлов за пару часов.
- 3 Страниц
- 1
- 2
- 3
- →
- Вы не можете создать новую тему
- Вы не можете ответить в тему
#1 romka10.06
Изобретатель
- Группа: Пользователи
- Сообщений: 270
- Регистрация: 27 May 11
Убираясь во дворе после ремонта дома набрал два десятка красного кирпича, и возникло желание попробовать сделать горн, тем более давно мечтаю освоить алюминиевое литьё, а тут как надо куда-то старый кирпич девать. Земля у нас – чуть копни и глина пойдёт, ну вот я копнул, ком глины выковырял, в тазике размял с водичкой, сложил два кирпича в длину, параллельно на расстоянии 100мм ещё два кирпича, получился типа коридорчик, сверху положил толстый слой глины и вдавил поперёк коридорчика 6 толстых гвоздей с зазором 5 мм, вот и колосник готов! Ещё четыре кирпича колодцем на всю эту конструкцию, получилась топка, один конец коридорчика (теперь он стал поддувалом и зольником по совместительству) закрыл половиной кирпича, второй кулером от горелого блока питания компьютера. Взял старый аккумулятор от UPS, подключил кулер, накидал угля что для шашлыка продаётся, кусок газеты под низ и поджёг. Оно как загудит, как разгориться! Я колодец нарастил ещё четырьмя кирпичинами, и одной сверху прикрыл как крышкой, там внутрях всё до светло- желтого свечения нагрелось. Я туда алюминиевую ложку кинул, она не продержалась и 30 секунд, быстренько сьёжилась и утекла! Я такого восторга давно не испытывал За час из всякого хлама такая прикольная весчь вышла. К сожалению фоткать не получилось, руки в глине или саже постоянно. Это меня вдохновило на постройку более основательного сооружения, вчера пошёл в ближайший магазин стройматериалов, купил 10 штук печного кирпича, 10 шамотного, огнеупорной гллины и чугунную колосниковую решётку, всего на 600 рублей. Сложил на куске плоского шифера новый горн, тока вентилятор старый взял, выпросил у знакомого ведро каменного угля ( древесный дорогой зараза и быстро тает, прям на глазах) и разжёг всё это дело, ну естественно горит, куда ему деваться. На всё про всё, вместе с походом в магазин два часа потратил. вот вентилятор, он маловат, я с боку щель бумажкой заткнул для герметизации
Взял кусок старого автомобильного амортизатора, тот что с дном, напихал в него алюминиевой проволоки, алюминиевых радиаторов от компьютерного БП (откуда вентилятор добыл) и пихнул в нутрь, прикрыв по бокам остатками кирпича.
Когда всё это дело расплавилось и засияло ярким жёлтым светом (минут 10 грелось) я в мокрой глине проковырял пальцем ямку, я конечно понимаю что так делать негоже, надо и алюминий с флюсами варить, и тигель должен быть внутри стерильный и обмазан жидким стеклом с мелом, и форма должна быть высушена и подогрета градусов до 200 хотя бы На всякий случай надел старую куртку, плотные рукавицы, очки (жидкий металл+мокрая глина=летящие металлические брызги, это я ещё в детстве проходил на свинце), и на вытянутой руке вылил содержимое импровизированного тигля в ямку.
К моему удивлению заливка прошла без выброса металла, покипело немного и всё замерло, ну я подождал минутку и давай выковыривать гвоздиком – Фигушки, с наружи всё застыло, а при попытке приподнять отливку, она сползла с гвоздика противным морщинистым комком Ну я остудил это дело и скорее за болгарку – срез посмотреть, где они, эти трудновыводимые литейные поры с которыми безуспешно борются любители алюминиевого литья. Ничего особо страшного невооружённым глазом не увидел, вполне пригодный к моим потребностям металл! https://rutube.ru/tracks/5729089.html
Буду пытаться теперь что-нибудь стоящее отлить, цилиндр к паровой машине может быть. Как сделаю выложу фотки.
Так что всем самоделкиным живущим в частном секторе или на даче, рекомендую построить горн, затрат никаких, а польза немалая может быть, как часто какой-нибудь корпус отлить надо, или ножик оковать – закалить, отжечь закалённую сталь. А сколько удовольствия от самого процесса, так тут и говорить нечего!
Кузнечный горн — это оборудование, позволяющее разогреть металл до температуры 1200 градусов. Его размеры имеют большой разбег. Некоторые габаритные, стационарные, иные маленькие, переносные.
Читать также: Механизм подачи проволоки для полуавтомата своими руками
Изготовить кузнечный горн своими руками можно любой конструкции, который будет работать как на твердом топливе, так и на газообразном.
Изготовление горна из ведра
Горн из ведра также предназначен для плавки алюминия. Для этого необходимо ведро, емкостью от 10 до 20 литров. Кроме того, гипс и песок. Такая смесь укладывается на дно ведра.
Пошаговая инструкция горна, сделанного из ведра своими руками:
- Выбранное ведро должно быть не оцинкованным. Связанно это с тем, что цинк, нагреваясь, выделяет вредные газы. Емкость берется изготовленная из обычного металла.
- На дно укладывается смесь, гипса с песком, толщиной 5 см. Соотношение 1:2. Сначала формируется такая смесь на дне. После просыхания ею же обрабатываются внутренние стенки ведра. Продолжительность высыхания составляет 15–20 мин.
- Снизу устанавливается водопроводный сгон, через который феном подается воздух.
- В ведро вставляется тигель.
- Начинается процесс розжига.
- Алюминий закладывается в тигель и под нагревом плавится.
Таким путем можно отливать мелкие изделия.

Кузнечный горн, изготовленный своими руками, нужное в хозяйстве приспособление. Однако предварительно, нужно ознакомиться с инструкцией по его эксплуатации. Приобрести необходимые чертежи. Должен быть полностью исключен риск пожара. Выбрано под него правильное место. Работа с раскаленным металлом принесет не только удовольствие, но и пользу.
Печи для литейного вторичного алюминия
Производителей вторичного алюминия обычно подразделяют на две категории. К первой категории относят производства, которые выпускают в основном литейные сплавы для производителей алюминиевых отливок, а также алюминий для раскисления стали. Сырьем для этих лом и производственные отходы литейных производств. По-английски их называют «refiners». Эти производства кроме введения легирующих элементов для доводки заданного сплава применяют оборудование для очистки алюминиевого расплава и удаления нежелательных химических элементов и примесей.
Роторные плавильные печи применяют именно эти переработчики алюминиевого лома.
Литейные предприятия, которые изготавливают алюминиевые отливки из вторичного литейного алюминия, широко применяют тигельные печи – газовые и электрические, индукционные и сопротивления, как для плавки и выдержки алюминия, так и для разливки алюминиевого расплава в литейные формы.
Какой алюминий использовать?
Прежде чем приступать к плавке стоит обратить внимание на характеристики данного металла. Температура плавления алюминия достаточно не высокая и составляет всего лишь 660 градусов по Цельсию
Тогда как чугун и сталь переходят в жидкое состояние при более высокой температуре. Поэтому плавить алюминий дома на газовой плите или горелке невозможно в виду недостаточного количества теплоты.
Чтобы снизить максимальную температуру, при которой алюминий плавится, достаточно будет перетереть его в порошок. Но тут стоит учитывать то, что алюминий плохо реагирует с воздухом и в процессе перетирания может запросто вызвать воспламенение или попросту окислиться. Также стоит следить за сухостью добавляемого сырья и избегать попадания воды.
Таким образом, стоит отметить, что сырье алюминия не используют для домашней плавки ввиду тяжелой с ним работы. Лучше всего для расплавки подойдут цельные алюминиевые изделия, это минимизирует его контакт с воздухом.
Почему необходима переработка использованной алюминиевой тары?
Алюминиевая банка, бывшая в употреблении, – это мусор. Планета с каждым днём всё больше начинает походить на свалку отходов человеческой жизнедеятельности. Потому вопрос переработки мусора в 2020 году стоит особенно остро.
Если хотите запустить прибыльный стартап, самое время поинтересоваться, какие перспективы у вас в описываемом сегменте. Выделим такие моменты:
- Затраты труда и энергии будут ниже, чем при организации первичного производства.
- Вторичный металл даёт экономию — 24 киловатт-часов на каждом полученном килограмме.
- На отечественном рынке объём тары из алюминия составил 2-3 миллиарда, что равно годовому объёму российского производства алюминия.
Рециклинг алюминиевой тары требует в среднем 2 месяца. В течение этого срока купленная и использованная тара может снова вернуться на магазинную полку.
Как работает горн?
Из подручных материалов можно сделать эффективную систему, позволяющую провести кузнечные работы. Существует большое количество видов конструкций, которые можно сделать своими руками. Профессиональный горн оснащается такими элементами:
- стол делают из огнеупорного материала;
- топливник с колосниковой решеткой;
- воздушная камера для увеличения эффективности горения топлива;
- воздушный дренаж с подающим воздуховодом;
- вентиль для регулирования подачи воздуха;
- шатер;
- окно для подачи заготовок;
- зонт;
- дымоход;
- горнило;
- закалочная баня;
- газовоздушная камера.

Рассматриваемый тип оборудования можно назвать классическим горном, применяемым в кузнечном деле. Создать его собственноручно очень сложно, но можно сделать более простую конструкцию для плавки алюминия.
Устройство и принцип действия
Для того чтобы понять, как сделать горн своими руками, нужно разобраться в его конструкции. В основе физических процессов лежит соединение углерода с кислородом. Иными словами, идет процесс горения углерода с высвобождением тепла.
Чтобы не произошло полного сгорания металла, количество кислорода подается не в полном количестве. Это регулируется дутьем воздуха. Передерживать заготовку в горне тоже не следует. Металл пересушится и станет твердым, но хрупким. Классический пример — чугун.

Самодельный горн для ковки состоит из деталей:
- Стол, изготовленный из огнеупоров.
- Топливник или очаг, имеющий колосниковую решетку.
- Камера воздушная.
- Дренаж воздушный.
- Воздуховод подающий.
- Вентиль воздушный.
- Камера.
- Окно, через которые подаются заготовки.
- Зонт.
- Дымоход.
- Горнило.
- Ванна для закалки.
- Газовоздушная камера.
Рисунок 1: Чертеж кузнечного горна
Для футеровки стола своими руками используется огнеупорный кирпич. Основу горна составляет форма, которая включает в себя топливник, колосники и воздушную камеру. При помощи воздушного дренажа идет регулировка дутья. Дымоход предназначен для отвода скопившихся газов. Не всегда необходима закалочная камера. Она требуется в случае ковки булатной стали, чтобы изделие прошло необходимую термическую обработку. Горнило — место, где выдерживается максимальная температура. В домашних условиях сложено оно из шамотных кирпичей.
В качестве топлива может использоваться:
- Мелкий кокс. Предварительно растопку ведут дровами, на которые накладывается уголь. Температура воспламенения кокса до 600 градусов, поэтому он укладывается в последнюю очередь.
- Древесный уголь горит лучше, потому что имеет микропористую структуру.
- Каменный уголь. При горении он должен дойти до стадии карбона. Горит хуже, чем кокс, поэтому используется при ковке менее ответственные изделия.
- Дровами. Их сжигают в обечайке, чтобы вредные примеси не попадали на металл.
- Работа на отработанном масле.
Печь из металлического бака
Совсем необязательно печь должна быть утоплена в землю. Несложно изготовить своими руками и переносную печь. Для этого подойдёт любой цилиндрический бак из термостойкого металла, например, бак от старой стиральной машины с вертикальной загрузкой. Изнутри диаметр бака уменьшается за счёт кирпичей и глины. Тем самым, толщина нашей печи составит 10-15 сантиметров. Не забываем монтировать внизу корпуса трубу для надува. Воздух можно подавать в неё любым удобным образом. Тигель с сырьём алюминия вешается внутрь топки. Как можно заметить, принципиальных отличий от предыдущего варианта нет. Его так же просто изготовить своими руками, различия лишь в необходимых инструментах и деталях.
Устройство кузнечного горна
Начать следует с выбора типа основания. Для стационарного горна подойдет кирпич, для передвижного очага – металлические конструкции. Основание должно располагаться на оптимальной высоте для удобства работы. Очаг для твердого топлива предполагает наличие рабочей зоны горения. Она может быть выложена огнеупорным кирпичом, быть футерованной или выполненной из стальной пластины.
Другой важный элемент – колосниковая решетка, удерживающая угли в зоне горения и дающая доступ воздушному потоку, который снизу раздувает жар. Нагнетание обычно производится по трубопроводу с регулятором потока. Источник наддува – пылесос с обратной подачей воздуха, фен, «улитка» с двигателем от автомобильной печки. Встречаются чертежи кузнечного горна, где применяется турбина от ручной сирены или меха, как это делалось в старину. Очаг может иметь боковые стенки и свод с каналом для отвода продуктов горения.
Конструкции горнов, работающих на жидком или газообразном топливе, отличаются отсутствием колосниковой решетки. Подача горючей смеси и воздуха осуществляется через отверстие в корпусе. Для этих целей нередко приспосабливают отрезок толстостенной трубы или отслуживший свое резервуар от бытового компрессора, облицованных огнеупорным материалом. Очаги также выкладываются в форме куба из термостойкого кирпича.

Меры безопасности во время работы
- Главная опасность во время работы с самодельной установкой — опасность получения ожогов от нагреваемых компонентов установки и металла который расплавлен.
- Ламповая схема включает детали с большим напряжением, благодаря этому её необходимо расположить в закрытом корпусе, исключив случайное касание к элементам.
- Электромагнитное поле способно влиять на предметы, находящиеся вне корпуса прибора. Благодаря этому перед работой лучше одеть одежду без элементов из металла, убрать из зоны действия непростые устройства: телефоны, цифровые камеры.
Не стоит применять установку людям с вживлёнными кардиостимуляторами!
Печь для плавки металлов дома может применяться также для быстрого нагрева элементов из металла, к примеру, при их лужении или формовке. Рабочей характеристики представленных установок можно приладить под определенную задачу, меняя параметры индуктора и выходной сигнал генераторных установок — таким образом можно достичь их самой большой эффективности.
Назначение и разновидности
Горн для плавки металла представляет собой печь, используемую в кузнечном деле на протяжении долгих лет. Малый КПД определил то, что его перестали применять в производстве изделий из рассматриваемого сплава в промышленности.
Существует такая классификация:
- По типу корпуса: открытый и закрытый. Открытый имеет полностью открытую верхнюю часть. Закрытый имеет закрытый верх.
- По месту установки: стационарный и персональный кузнечный.
Горн закрытого типа
Горн открытого типа
Для отведения газов и продуктов горения создается специальная труба, если работа ведется в помещении. Открытый тип не имеет трубы, потому что продукты горения уходят без отвода.
Шаг 2: Схема преобразователя напряжения

Это схема для преобразователя напряжения. Схема в действительности не такая непростая. Инвертированный и неинвертированный драйвер увеличивает или уменьшает напряжение 15В, чтобы настроить переменный сигнал в преобразователе электрической энергии (GDT). Этот преобразователь электрической энергии отделяет чипы от мосфетов. Диод на выходе мосфета действует что бы ограничить пиков, а резистор уменьшает колебания.
Конденсатор C1 поглощает любые проявления непрерывного тока. Лучше всего, вам необходимы самые быстрые скачки напряжения на цепи, так как они делают меньше нагрев. Резистор замедляет их, что кажется нелогичным. Но если сигнал не гаснет, вы получаете перегрузки и колебания, которые разрушают мосфеты. Больше информации можно получить из схемы амортизатора.
Диоды D3 и D4 помогают обезопасить МОП-транзисторы от обратных токов. C1 и C2 предоставляют незамкнутые линии для проходящего тока во время переключения. T2 — это преобразователь электрической энергии тока, благодаря ему драйвер, о котором мы побеседуем дальше, получает обратный сигнал от тока на выходе.
Горн на отработанном масле
Учитывая, что нефтепродукты дорогие, выгодно использовать горн на отработанном масле. Чтобы изготовить горн на отработке используются детали, отслужившие свой срок. После переработки печей, проявился существенный недостаток — отработанная смесь плохо зажигалась. Чтобы устранить эту проблему, в горн на отработке был встроен дополнительный отсек. Здесь происходит предварительный подогрев масла углем или дровами. Для улучшения горения, топливная отработка проходит через фильтры, в нее добавляется солярка или бензин.
Как результат, горн на отработке имеет преимущества в виде желтого огня и стабильной температуры.
Изготовить его можно своими руками:
- Изготовление идет из шамотного кирпича, габаритами: 85×48×40 см.
- Свод выполняется в виде арки, для удержания температуры.
- Корпус полностью оббит листами железа. На боковые стороны используется толщина 1,5 мм, а верх и низ подбиваются листами 2 мм.
- Опоры изготавливаются из уголков исходя из веса конструкции.
Читать также: Лазерный гравировальный станок по дереву
В камеру, вентилятором, ведется нагнетание воздуха. На возвышении установлен резервуар с отработкой. Из него масло по трубопроводу попадает в камеру, где подхватывается воздухом, который движется под давлением 2 атм. Отработка разбивается и подается в форсунку.
Схема печи на отработке:
Муфельная печь для плавки алюминия своими руками
Что такое муфельная печь и её предназначение. Муфельная печь является незаменимым устройством для нагрева разнообразных металлов в домашних условиях.
Такая печь позволяет успешно плавить такие металлы как алюминий, медь, многие цветные металлы, а также высушивать, обжигать керамические изделия, а также кремировать.
Виды муфельных печей
. Муфельные печи встречаются в разных видах, они могут быть электрические, газовые, воздушные, вакуумные, а по своей конструкции: колпаковые, горизонтальные, вертикальные и трубчатые.
Особенность муфельной печи.
Уникальность муфельной печи состоит в том, что в ней содержится рабочая область под названием муфель, который позволяет защитить обрабатываемый металл.
Процесс изготовления муфельной печи
В качестве нагревательного инструмента можно остановиться на выборе электрического нагревателя, потому что таким нагревателем очень просто управлять.
Основные элементы муфельной печи.
Муфельная печь имеет такие составляющие, как нагревательная камера и специального аккумулятор тепла.
Необходимо обеспечить регулирование тепла с целью бесперебойной работы в процессе обработки алюминия.
Если предстоит плавить несколько материалов, тогда целесообразно плавить алюминий не один раз. Поэтому аккумулятор тепла будет выполнять функцию регулятора тепла, чтобы печь в процессе работы не успела остыть.
Важно, не переусердствовать с выбором аккумулятора, чтобы печь не стала слишком инерционной. Для изготовления муфельной печи нам понадобится следующее:
Для изготовления муфельной печи нам понадобится следующее:
- 7 кирпичей;
- болгарка;
- проволока;
- металлическое ведро;
- ненужный металлический кусок;
- строительные защитные очки;
- молоток и т.п.
1. Подготовьте 7 простых кирпичей, они понадобятся в качестве аккумулятора температуры.
2. Возьмите болгарку и соорудите отсек с каждого бока кирпича. В результате получиться рабочее пространство для электрического нагревателя.
Для прочности конструкции возьмите проволоку и обмотайте ею кирпичи.
3. Можно воспользоваться широким металлическим ведром для огнеупорной камеры. Его также можно сделать собственноручно.
При проектировании высоты ведра делаем её с определённым запасом, поскольку рабочую камеру придётся установить на слой кирпичей с теплоизоляцией.
Процесс закручивания листа в трубу достаточно проблематичный, поэтому советуем применять специальные кольца из тонкой арматуры.
Далее необходимо согнуть арматуру и соединить её концы, чтобы получить кругообразную форму возьмите молоток.
4. Берём кольца и устанавливаем их на скрученный лист. Затем соединяем их по длине окружности.
5. Дно корпуса печи можно сделать из листа, который уже есть в наличии. Необходимо приварить его к нижнему кольцу.
6. Чтобы установить поверхность рабочей зоны печи нужно в кирпиче сделать специальное отверстие для электрического нагревателя. Такое действие необходимо для прочности крепления конструкции.
7. Делаем нумерацию кирпичей и располагаем их согласно очерёдности, плотно прижав друг к другу. Проверьте устойчивость конструкции.
8. К кирпичам присоединяем нагревательную спираль печи.
10. Пропиливаем канавки с помощью болгарки. Не забывайте о личной безопасности! Рекомендуется надевать строительные защитные очки.
11. Для спирали, как правило, применяютнихром либо фехраль.
Фехраль является оптимальным вариантом, но в нашем случае мы будем использовать нихром.Нагревание нихрома зависит от силы самого тока, а ток – от напряжения.
12. Аккуратно наматываем спираль так, чтобы витки были на небольшом расстоянии друг от друга. Это необходимо для того, чтобы избежать замыкания.
13. Делаем раствор и аккуратно заливаем его, как показано на фото:
Придать муфельной печи ещё больше особенностей можно с помощью установки в ней двух нагревательных электрических нагревателя.
Их можно включать одновременно и по очерёдности.
Например, нижний нагреватель целесообразно включать, когда обрабатывается материал в домашних условиях в малых количествах, а два нагревателя позволят значительно увеличить масштаб плавки.
Однако помните о максимальной мощности!
Кузница
Люди с творческими наклонностями, занимающиеся оформительскими работами, нередко сталкиваются с желанием использовать декоративные металлические элементы ручной работы. Сделать такие вещи можно с помощью ковки.
Тонкий листовой металл можно пытаться штамповать, гнуть или чеканить и без нагрева. Толстую заготовку без этого обработать не получится. Изготовить инструмент из углеродистой стали тем более не стоит пытаться.
Если оборудовать кузнечную мастерскую очагом и массивной наковальней, можно не обращать особого внимания на толщину рабочей заготовки. В раскаленном виде она будет в состоянии коваться, гнуться и плющится. Главное в этом процессе – правильно обустроенный кузнечный горн.
Своими руками его, возможно, сделает не каждый желающий, но для настоящего ценителя ремесла, знакомого с устройством, особенностями и принципом работы приспособления, это будет по силам. Как уверяют бывалые мастера, простую кузницу можно обустроить даже из шести кирпичей.

Изготовление муфеля
Чтобы самостоятельно сконструировать муфельную печь, в первую очередь стоит сделать огнеупорную камеру. Не каждый материал подойдет для этих целей. Специальную камеру можно изготовить из шамотного кирпича. Он отлично подойдет как для прямоугольной, так и для цилиндрической печи. Правда, в форме цилиндра выложить кирпичи довольно сложно. Для этого необходимо вырезать при помощи болгарки одинаковые трапеции. Для небольшой печи понадобится около 7 кирпичей.
После стоит соединить их вместе при помощи проволоки, а также проверить, чтобы они плотно состыковывались. Неровности можно также подкорректировать при помощи болгарки. Далее следует выложить кирпичи в ряд и сделать несколько канавок для проволоки, которая в будущем будет нагревательным элементом
Важно сделать канавки таким образом, чтобы проволока нигде не соприкасалась. Для этого стоит на одном из кирпичей разместить углубления под наклоном. Канавки должны быть шириной в 7-8 миллиметров, расстояние между ними – не менее 2 сантиметров
Канавки должны быть шириной в 7-8 миллиметров, расстояние между ними – не менее 2 сантиметров.
Соединяются кирпичи при помощи термостойкого клея. Также можно использовать смесь из глины, порошка шамотного кирпича и кварцевого песка.
Для изготовления муфеля подойдет и обычная глина, так как самодельная печь не будет работать с экстремальными температурами. Глина нуждается в предварительной обработке. Из картона или листа фанеры сконструируйте небольшой прямоугольник, который по размерам будет совпадать с задуманной муфельной камерой. Обязательно подсчитайте по размерам, будет ли данная камера свободно помещаться в корпус печи.
Макет камеры стоит покрыть снаружи глиной толщиной в несколько сантиметров. Глина должна высохнуть в течение 5 дней. После обязательным действием является обжиг глиняной конструкции. Лучше всего обжигать материал в угольной печи, так как необходима температура не менее 700 градусов. Если все условия будут соблюдены, получится достаточно прочная и огнестойкая камера.
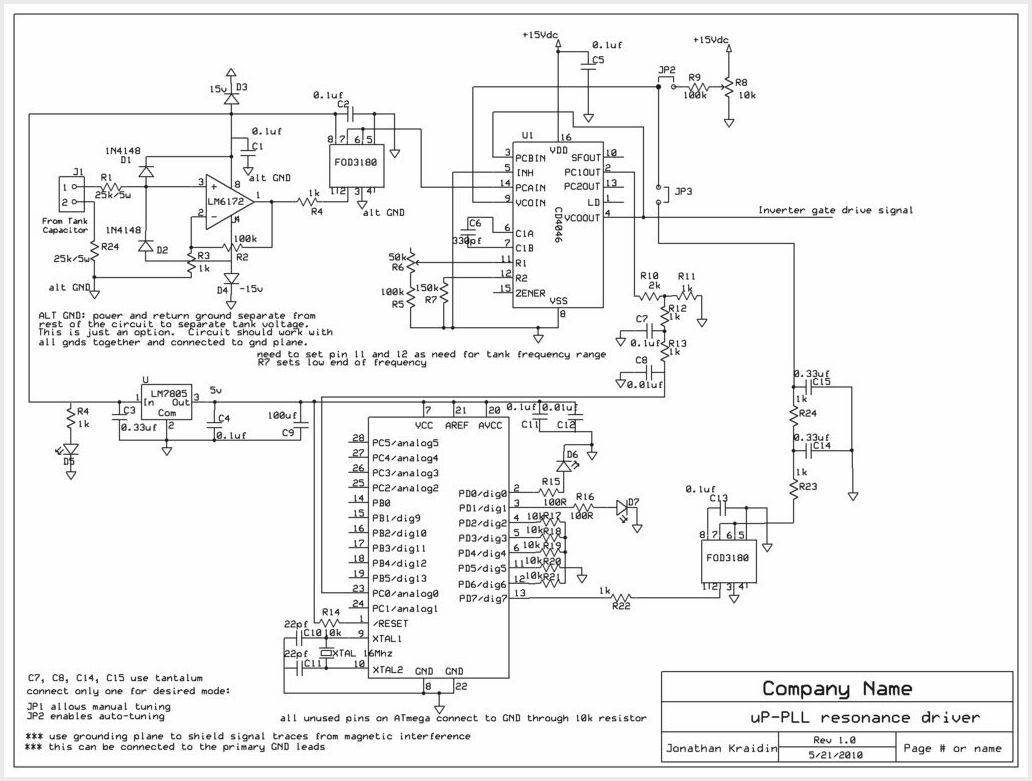
Шаг 3: Драйвер

Эта схема на самом деле большая. Вообще, вы можете прочесть про простой маломощный преобразователь напряжения. Если вам необходима высокая мощность, вам необходим подходящий драйвер. Этот драйвер будет останавливаться на резонансной частоте своими силами. После того, как ваш металл расплавится, он остается заблокированным на правильной частоте без надобности какой-нибудь регулировки.
Если вы когда-нибудь строили простой индукционный нагреватель с чипом PLL, вы, возможно, не забывайте процесс настройки частоты, чтобы металл нагревался. Вы следили за движением волны на осциллографе и корректировали частоту синхронизации, чтобы поддерживать эту образцовую точку. Больше не придется этого делать.
В данной схеме применяется процессор Arduino для отслеживания разности фаз между напряжением преобразователя напряжения и емкостью конденсатора. Применяя эту фазу, он вычисляет правильную частоту с применением метода «C».
Я проведу вас по цепи:
Сигнал емкости конденсатора находится слева от LM6172. Это скоростной преобразователь напряжения, который видоизменяет сигнал в прекрасную, чистую квадратную волну. Потом этот сигнал изолируется при помощи оптического изолятора FOD3180. Эти изоляторы считаются основными!
Дальше сигнал поступает в PLL через вход PCAin. Он сравнивается с сигналом на PCBin, который управляет преобразователем напряжения через VCOout. Ардуино тщательно контролирует тактовую частоту PLL, применяя 1024-битный импульсно-модулированный сигнал. Двухступенчатый RC-фильтр видоизменяет сигнал PWM в обычное аналоговое напряжение, которое входит в VCOin.
Как Ардуино знает, что сделать? Магия? Предположения? Нет. Он получает информацию о разности фаз PCA и PCB от PC1out. R10 и R11 ограничивают напряжение в границах 5 стрессов для Ардуино, а двухступенчатый RC-фильтр чистит сигнал от любого шума. Нам необходимы крепкие и чистейшие сигналы, так как мы не хотим выплачивать денег побольше за не дешёвые мосфеты после того, как они взорвутся от шумных входов.





































